Запчасти Case IH F4GE9684C J600 (0.14.2[01]) - INJECTION PUMP - CONTROL(504066547)

Схема запчастей Case IH F4GE9684C J600 - (0.14.2[01]) - INJECTION PUMP - CONTROL  (504066547)
4
0.04.3
0.14.0
2
3
1
FIT
1:1
100%

Артикул

Название

Примечание

Количество

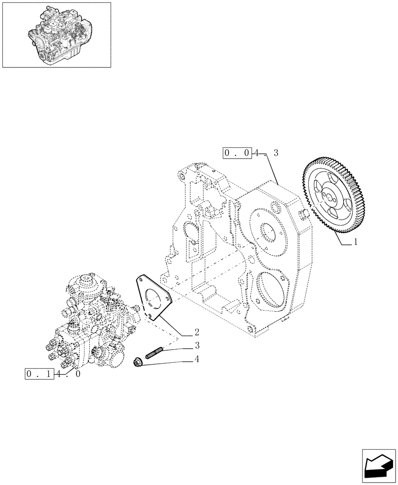
1

4896616

DRIVEN GEAR

1шт.

2

2852885

GASKET,1.2mm Thk

1шт.

3

2852347

STUD

3шт.

4

4899003

FLANGE NUT,M8 x 1.25

3шт.

Выбрано товаров: 4