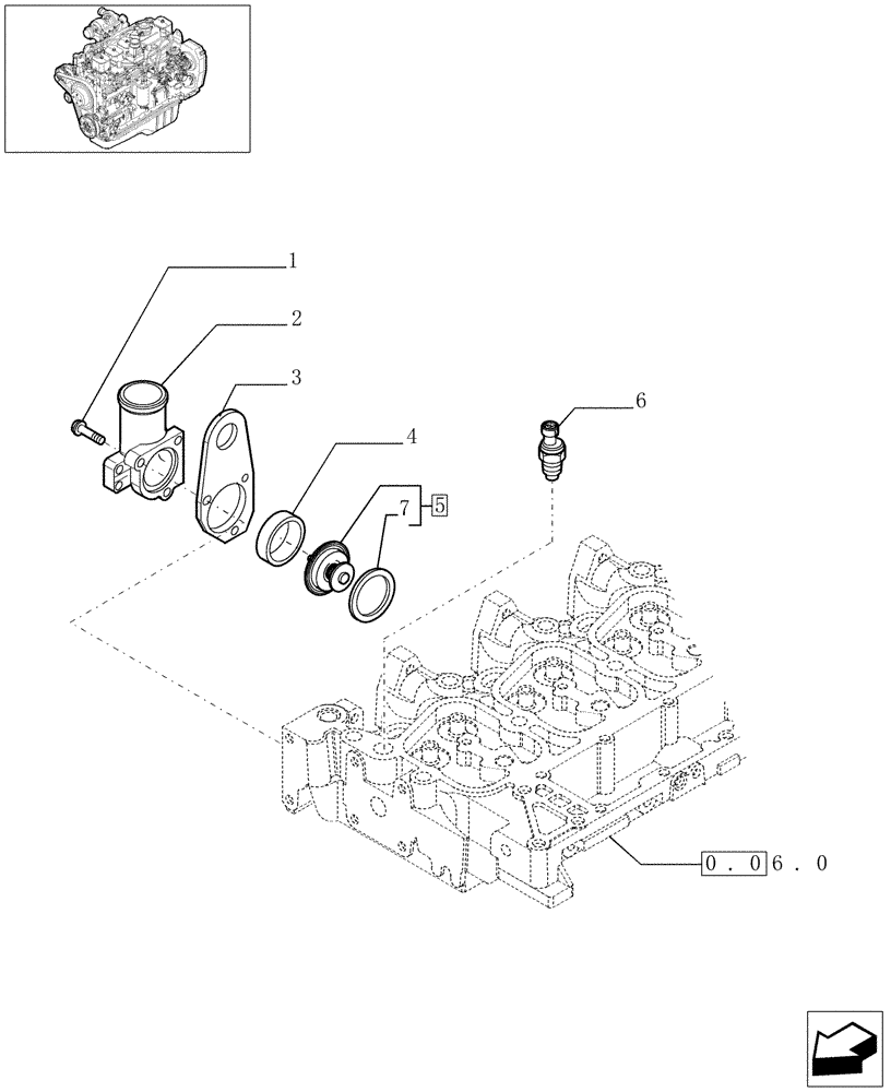
Запчасти Case IH F4GE9684C J600 (0.32.6[01]) - THERMOSTAT - ENGINE COOLING SYSTEM (504083230-504083237-504033593)

Схема запчастей Case IH F4GE9684C J600 - (0.32.6[01]) - THERMOSTAT - ENGINE COOLING SYSTEM (504083230-504083237-504033593)
3
7
0.06.0
6
5
4
1
2
FIT
1:1
100%

Артикул

Название

Примечание

Количество

1

4899091

SCREW,Hex Flange Cap, M8 x 1.25 x 40.00mm

3шт.

2

2853131

HOUSING

1шт.

3

2853132

LIFTING EYE

1шт.

4

2853133

GASKET,51.5mm ID x 61.5mm OD x 16.5mm Thk

1шт.

5

2853135

THERMOSTAT

- ASSY, OD=60.8mm

1шт.

6

2852157

SENSOR

1шт.

7

2852473

GASKET,53.62mm ID x 59.72mm OD x 4.01mm Thk

1шт.

Выбрано товаров: 7