Качественные детали и логистика
Оригинальные и аналоговые запчасти с доставкой по России, Казахстану и Беларуси
©2022 PartSell ООО "Система" ИНН 2463123282 ОГРН 1212400004838
Центральный офис: г. Красноярск, Академика Киренского, д.87, пом.4
Телефон: 8 (800) 777-65-74 Email: zakaz@partsell.ru
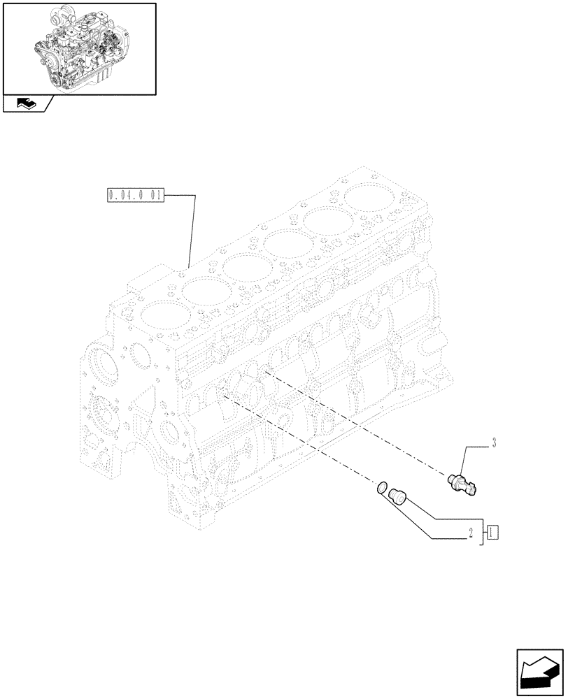
(0.27.2) - MOTOR SENSORS (2854946)
№
Артикул
Название
Примечание
Количество
1
4895605
HEX SOCKET PLUG,M14 x 1.5
ASSY
1шт.
2
4899115
O-RING,2.2mm Thk x 11.3mm ID
3
2852735
PRESSURE SWITCH,Oil Pressure
Выбрано товаров: 0