Запчасти Case IH F4GE9684C J602 (55.301.02) - ALTERNATOR (55) - ELECTRICAL SYSTEMS

Схема запчастей Case IH F4GE9684C J602 - (55.301.02) - ALTERNATOR (55) - ELECTRICAL SYSTEMS
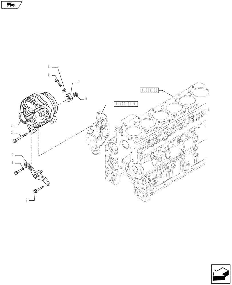
5
9
2
1
10.402.01 01
4
10.001.02
home
3
7
8
6
FIT
1:1
100%

Артикул

Название

Примечание

Количество

1

2855914

ALTERNATOR

- ASSY

1шт.

2

2858054

DOWEL

1шт.

3

2855912

SCREW

M10 x 110

1шт.

4

2852326

SCREW

10X55

1шт.

5

2852236

FLANGE NUT,M10 x 1.5

1шт.

6

2853012

BOLT,Hex, M8 x 100mm

1шт.

7

2853152

BELT TENSIONER

1шт.

8

2853629

FLANGE NUT,M8 x 1.25

1шт.

9

2852234

FLANGE BOLT,Hex, M8 x 1.25 x 20mm

1шт.

Выбрано товаров: 9