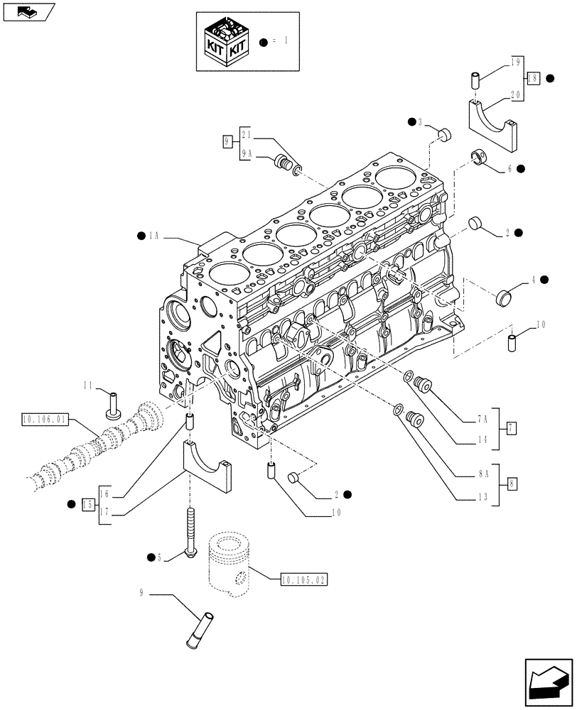
Запчасти Case IH F4GE9684C J602 (10.001.02) - CRANKCASE (10) - ENGINE

Схема запчастей Case IH F4GE9684C J602 - (10.001.02) - CRANKCASE (10) - ENGINE
1
16
18
home
10.106.01
10.105.02
17
2
1
13
15
9
1
10
9
20
4
1
21
19
1
10
1
1
7
9a
6
2
14
8
1
7a
3
1
1
1
1a
8a
5
11
FIT
1:1
100%

Артикул

Название

Примечание

Количество

1

2830074

CYLINDER BLOCK,6 Cylinders

ASSY Contains Ref.1A, 2, 3, 4, 15, 18

1шт.

1a

NSS

NOT SOLD SEPARAT

1шт.

2

4895039

EXPANSION PLUG,M17.73

2шт.

3

4895038

EXPANSION PLUG,M58.06

6шт.

4

4895228

EXPANSION PLUG,35.23mm x 7.94mm

3шт.

5

4891353

SCREW,Flg Hd, M12 x 1.5 x 120

14шт.

6

4895040

BUSHING,54.39mm ID x 59.39mm OD x 25.4mm L

1шт.

7

4895605

HEX SOCKET PLUG,M14 x 1.5

ASSY Contains Ref.7A, 14

1шт.

7a

NSS

NOT SOLD SEPARAT

1шт.

8

4899009

PLUG,M10 x1

ASSY Contains Ref.8A, 13

2шт.

8a

NSS

NOT SOLD SEPARAT

1шт.

9

4895392

HEX SOCKET PLUG,M18 x 1.5

ASSY Contains Ref.9A, 21

3шт.

10

4895049

DOWEL,M16.05 x 10

2шт.

11

J931623

TAPPET

12шт.

12

4896865

LUBE OIL NOZZLE

LUBE OIL JET NOZZLE

6шт.

13

4899072

O-RING,1.6mm Thk x 8.1mm ID

1шт.

14

4899115

O-RING,2.2mm Thk x 11.3mm ID

1шт.

15

4895919

BEARING ASSY,86.1mm D

ASSY Contains Ref.16,17

6шт.

16

4899026

DOWEL,M18 x 10

2шт.

17

4892951

BEARING CAP,24.5 mm

1шт.

18

4895921

BEARING ASSY,86.1mm D

ASSY Contains Ref.19, 20

1шт.

19

4899026

DOWEL,M18 x 10

2шт.

20

4892952

BEARING CAP,27.5 mm

1шт.

21

4895393

O-RING,2.2mm Thk x 15.3mm ID

1шт.

Выбрано товаров: 24