Качественные детали и логистика
Оригинальные и аналоговые запчасти с доставкой по России, Казахстану и Беларуси
©2022 PartSell ООО "Система" ИНН 2463123282 ОГРН 1212400004838
Центральный офис: г. Красноярск, Академика Киренского, д.87, пом.4
Телефон: 8 (800) 777-65-74 Email: zakaz@partsell.ru
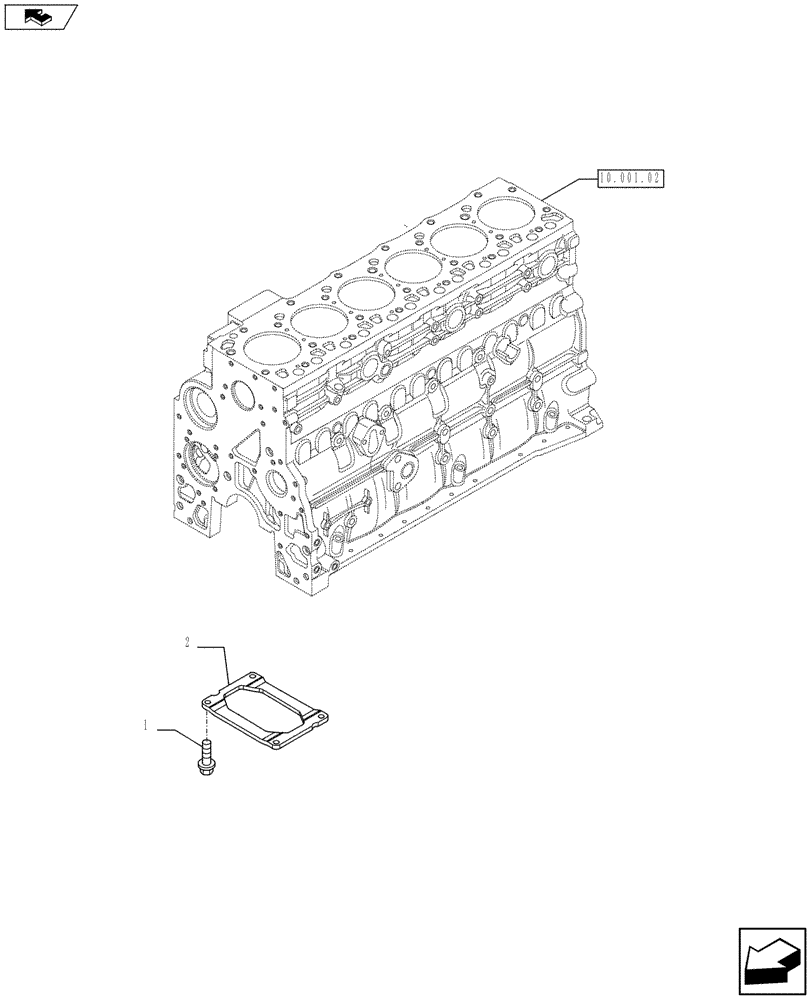
(10.001.03) - CRANKCASE
№
Артикул
Название
Примечание
Количество
1
4899032
SCREW,Hex Flg, M10 x 1.5 x 25
4шт.
2
2852729
STIFFENER
1шт.
Выбрано товаров: 0