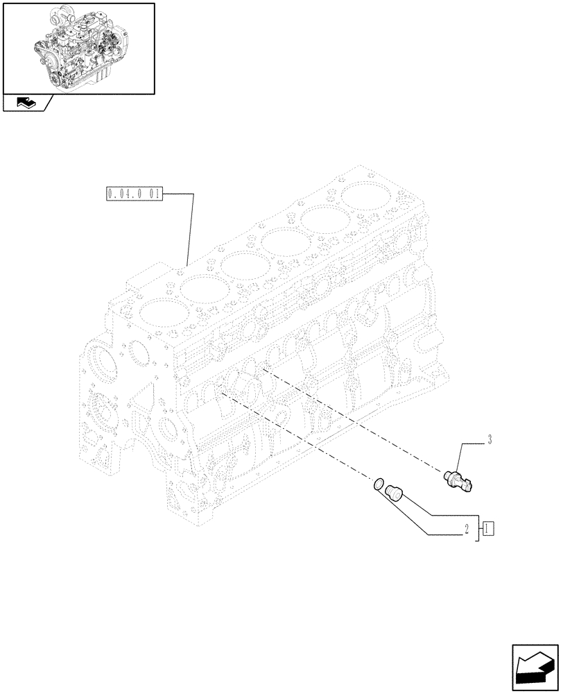
Запчасти Case IH F4GE9684D J603 (0.27.2) - MOTOR SENSORS (2854946)

Схема запчастей Case IH F4GE9684D J603 - (0.27.2) - MOTOR SENSORS (2854946)
1
0.04.0 01
2
home
3
FIT
1:1
100%

Артикул

Название

Примечание

Количество

1

4895605

HEX SOCKET PLUG,M14 x 1.5

ASSY

1шт.

2

4899115

O-RING,2.2mm Thk x 11.3mm ID

1шт.

3

2852735

PRESSURE SWITCH,Oil Pressure

1шт.

Выбрано товаров: 3