Запчасти Case IH F4GE9684D J604 (10.103.03) - CRANKCASE COVERS (10) - ENGINE

Схема запчастей Case IH F4GE9684D J604 - (10.103.03) - CRANKCASE COVERS (10) - ENGINE
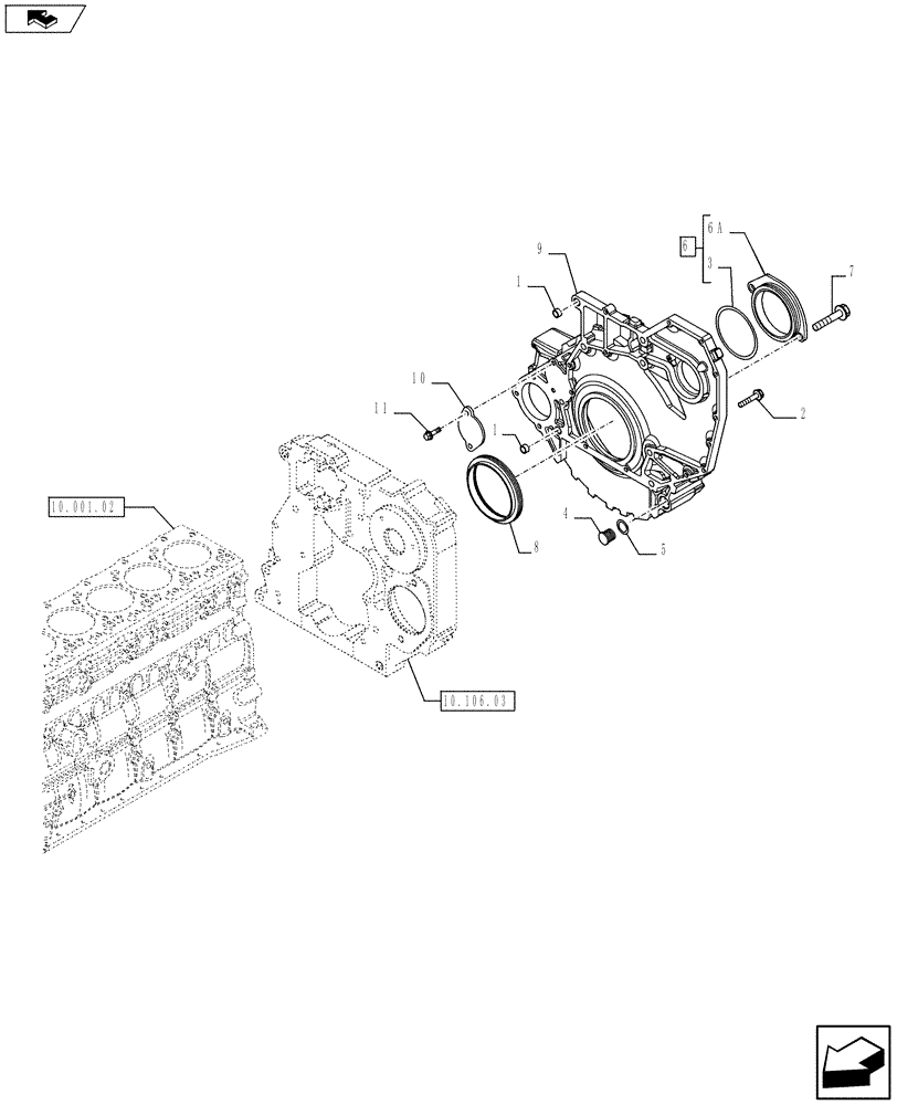
5
4
10.001.02
10
10.106.03
1
11
2
7
6
1
home
9
6a
3
8
FIT
1:1
100%

Артикул

Название

Примечание

Количество

1

4899026

DOWEL,M18 x 10

2шт.

2

4899109

SCREW,Hex, M10 x 1.5 x 80

2шт.

2

4892915

FLANGE BOLT,Hex, M10 x 1.5 x 40mm

11шт.

2

4899076

SCREW,Hex Flg, M12 x 1.75 x 80

5шт.

2

4899074

SCREW,Hex Flg, M12 x 1.75 x 120

3шт.

3

2854075

O-RING,0.103" Thk x 2.987" ID, -151

1шт.

4

4895378

BUTTON PLUG,M29.2

1шт.

5

4895379

O-RING,21.82mm ID x 3.53mm Width

1шт.

6

2854073

COVER

- ASSY Contains Ref.3, 6A

1шт.

6a

NSS

NOT SOLD SEPARAT

1шт.

7

4899020

FLANGE BOLT,Hex, M8 x 1.25 x 20mm

2шт.

8

84575645

OIL SEAL,130mm ID x 155mm OD x 16mm Thk

130 x 155 x 12,5/16

1шт.

9

2854916

HOUSING

1шт.

10

4895155

COVER

1шт.

11

4899068

BOLT,Flng, M8 x 1.25 x 16mm

2шт.

Выбрано товаров: 0