Запчасти Case IH F4GE9684D J604 (10.218.01) - INJECTION EQUIPMENT - PIPING (10) - ENGINE

Схема запчастей Case IH F4GE9684D J604 - (10.218.01) - INJECTION EQUIPMENT - PIPING (10) - ENGINE
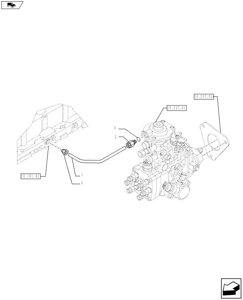
10.247.01
10.101.01
10.247.02
2
home
1
3
4
FIT
1:1
100%

Артикул

Название

Примечание

Количество

1

2852350

RIGID TUBE

1шт.

2

4893518

TUBE,M8 x 1 x 29.5 L

1шт.

3

4896770

TUBE NUT,M10 x 1

1шт.

4

2852057

SEALING WASHER,M8 x 12 x 1 Thk

SEAL WASHER

1шт.

Выбрано товаров: 4