Качественные детали и логистика
Оригинальные и аналоговые запчасти с доставкой по России, Казахстану и Беларуси
©2022 PartSell ООО "Система" ИНН 2463123282 ОГРН 1212400004838
Центральный офис: г. Красноярск, Академика Киренского, д.87, пом.4
Телефон: 8 (800) 777-65-74 Email: zakaz@partsell.ru
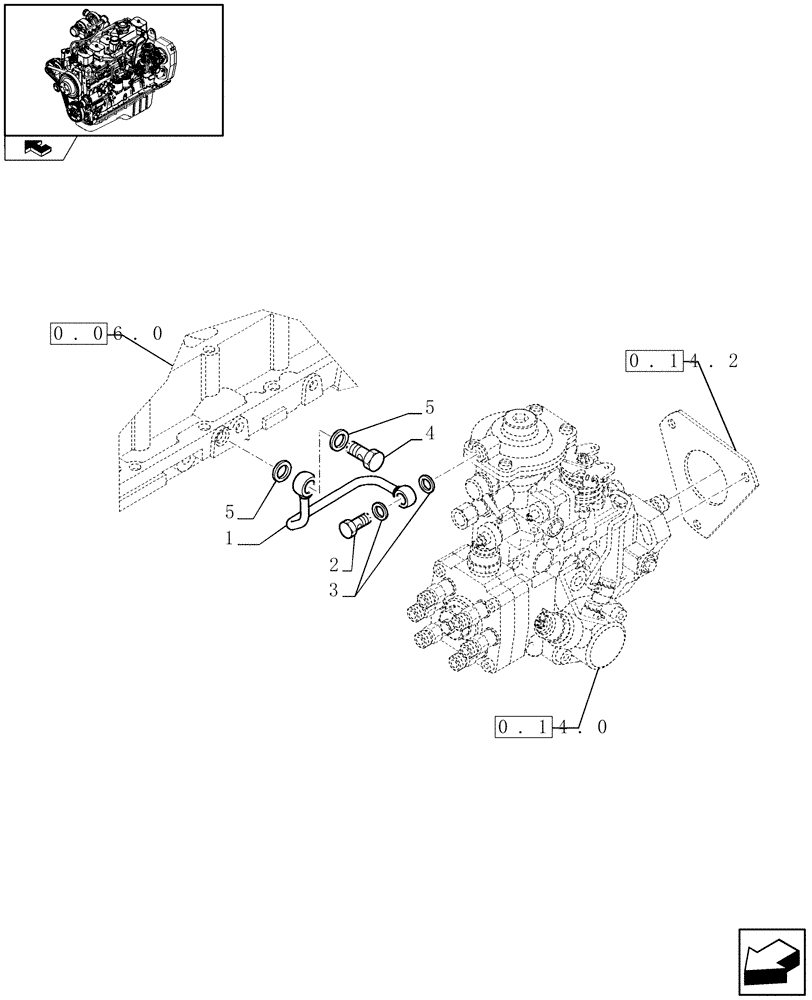
(0.14.6) - INJECTION EQUIPMENT - PIPING (4893100)
№
Артикул
Название
Примечание
Количество
1
4893083
PIPE ASSY.
1шт.
2
2830360
BANJO BOLT
3
2830507
SEALING WASHER,7.8mm ID x 14mm OD x 1mm Thk
2шт.
4
4893096
BANJO BOLT,Hex, M10 x 1 x 19mm
5
4899010
SEALING WASHER,10.2mm ID x 13.4mm OD x 1mm Thk
Выбрано товаров: 0