Запчасти Case IH F4GE9684R J602 (0.04.3[03]) - CRANKCASE COVERS (2855177)

Схема запчастей Case IH F4GE9684R J602 - (0.04.3[03]) - CRANKCASE COVERS (2855177)
0.04.0 01
8
12
9
4
1
10
7
5
11
home
6
0.04.3 01
2
3
1
FIT
1:1
100%

Артикул

Название

Примечание

Количество

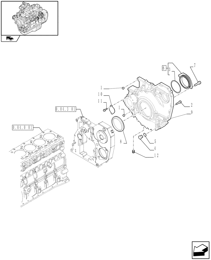
1

4899026

DOWEL,M18 x 10

2шт.

2

4899109

SCREW,Hex, M10 x 1.5 x 80

3шт.

2

4892915

FLANGE BOLT,Hex, M10 x 1.5 x 40mm

7шт.

2

4899076

SCREW,Hex Flg, M12 x 1.75 x 80

5шт.

2

4899074

SCREW,Hex Flg, M12 x 1.75 x 120

2шт.

2

4899143

SCREW,Hex Flg, M10 x 1.5 x 140

1шт.

2

2852865

FLANGE BOLT,Hex, Shldr, Lkg, M10 x 33mm

2шт.

3

2854075

O-RING,0.103" Thk x 2.987" ID, -151

1шт.

4

4895378

BUTTON PLUG,M29.2

2шт.

5

4895379

O-RING,21.82mm ID x 3.53mm Width

2шт.

6

2854073

COVER

ASSY

1шт.

7

4899020

FLANGE BOLT,Hex, M8 x 1.25 x 20mm

2шт.

8

4890833

OIL SEAL,M130 x 155 x 12.5/16

1шт.

9

2855178

HOUSING

Flywheel

1шт.

10

4895155

COVER

1шт.

11

4899068

BOLT,Flng, M8 x 1.25 x 16mm

2шт.

12

4893036

PIPE PLUG,3/4"-14 NPTF

1шт.

Выбрано товаров: 17