Качественные детали и логистика
Оригинальные и аналоговые запчасти с доставкой по России, Казахстану и Беларуси
©2022 PartSell ООО "Система" ИНН 2463123282 ОГРН 1212400004838
Центральный офис: г. Красноярск, Академика Киренского, д.87, пом.4
Телефон: 8 (800) 777-65-74 Email: zakaz@partsell.ru
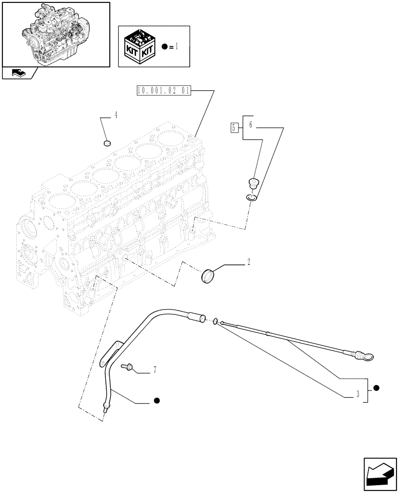
(10.102.03) - ENGINE OIL DIPSTICK (2855432 - 2855441)
№
Артикул
Название
Примечание
Количество
1
2855433
DIPSTICK
OIL LEVEL, ASSY
1шт.
2
4895037
EXPANSION PLUG,32.03mm
3
4898502
O-RING,0.364" ID x 0.504" OD x 0.07"
4
4895406
EXPANSION PLUG,9.8mm OD
3шт.
5
4897330
HEX SOCKET PLUG,M12 x 1.5
ASSY
6
4895610
O-RING,2.2mm Thk x 9.3mm ID
7
2855440
SCREW
M1 x 16
Выбрано товаров: 0