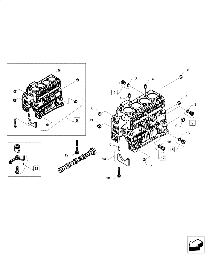
Запчасти Case IH F4HE0484D B101 (10.001.AB[01]) - CYLINDER BLOCK & RELATED PARTS (10) - ENGINE

Схема запчастей Case IH F4HE0484D B101 - (10.001.AB[01]) - CYLINDER BLOCK & RELATED PARTS (10) - ENGINE
13
7
12
2
3
4
3
17
8
9
6
18
4
5
11
8
7
15
14
10
16
2
1
FIT
1:1
100%

Артикул

Название

Примечание

Количество

1

4894218

SCREW,Special, M8 x 20

1шт.

2

4895392

HEX SOCKET PLUG,M18 x 1.5

Incl 3

2шт.

3

4895393

O-RING,2.2mm Thk x 15.3mm ID

2шт.

4

4895049

DOWEL,M16.05 x 10

2шт.

5

84598418

CYLINDER BLOCK

Incl 1 - 4, 6 - 18

1шт.

6

4899026

DOWEL,M18 x 10

10шт.

7

4895039

EXPANSION PLUG,M17.73

3шт.

8

4895038

EXPANSION PLUG,M58.06

4шт.

9

4895228

EXPANSION PLUG,35.23mm x 7.94mm

2шт.

10

4891353

SCREW,Flg Hd, M12 x 1.5 x 120

10шт.

11

4895040

BUSHING,54.39mm ID x 59.39mm OD x 25.4mm L

1шт.

12

4891226

TAPPET

8шт.

13

2852202

NOZZLE, PISTON COOLI

Incl 1

4шт.

14

NSS

NOT SOLD SEPARAT

Bearing cap, Incl in 5

4шт.

14

NSS

NOT SOLD SEPARAT

Bearing cap, Incl in 5

1шт.

15

4895605

HEX SOCKET PLUG,M14 x 1.5

Incl 16

1шт.

16

4899115

O-RING,2.2mm Thk x 11.3mm ID

1шт.

17

4899009

PLUG,M10 x1

Incl 18

1шт.

18

4899072

O-RING,1.6mm Thk x 8.1mm ID

1шт.

Выбрано товаров: 19