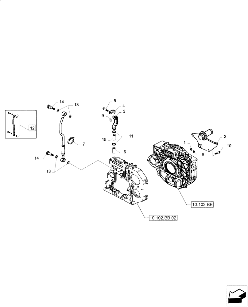
Запчасти Case IH F4HE0484D B101 (10.102.BB[03]) - BREATHER LINE (10) - ENGINE

Схема запчастей Case IH F4HE0484D B101 - (10.102.BB[03]) - BREATHER LINE (10) - ENGINE
14
12
7
13
10102be
15
2
3
4
6
10102bb02
9
13
1
14
10
8
5
11
FIT
1:1
100%

Артикул

Название

Примечание

Количество

1

2855200

O-RING

3,53 x 18,64

1шт.

2

47426448

BREATHER

1шт.

3

4897534

TUBE

1шт.

4

4897536

BRACKET

1шт.

5

4897537

SCREW

1шт.

6

4897547

TUBE

1шт.

7

4899242

CLAMP

2шт.

8

4898372

O-RING,13.11mm ID x 2.62mm Width

1шт.

9

14457581

O-RING,0.799" ID x 0.103" Width

1шт.

10

4899110

SCREW,Hex Flg, M6 x 1 x 20

3шт.

11

4893234

HOSE CLAMP

2шт.

12

4899219

TUBE

Incl 13, 14

1шт.

13

4899926

SEALING WASHER,11.8mm ID x 18.0mm OD x 1.5mm Thk

4шт.

14

2852772

BANJO BOLT

M12 x 1,5 x 30

2шт.

15

4897546

RUBBER SLEEVE

1шт.

Выбрано товаров: 15