Качественные детали и логистика
Оригинальные и аналоговые запчасти с доставкой по России, Казахстану и Беларуси
©2022 PartSell ООО "Система" ИНН 2463123282 ОГРН 1212400004838
Центральный офис: г. Красноярск, Академика Киренского, д.87, пом.4
Телефон: 8 (800) 777-65-74 Email: zakaz@partsell.ru
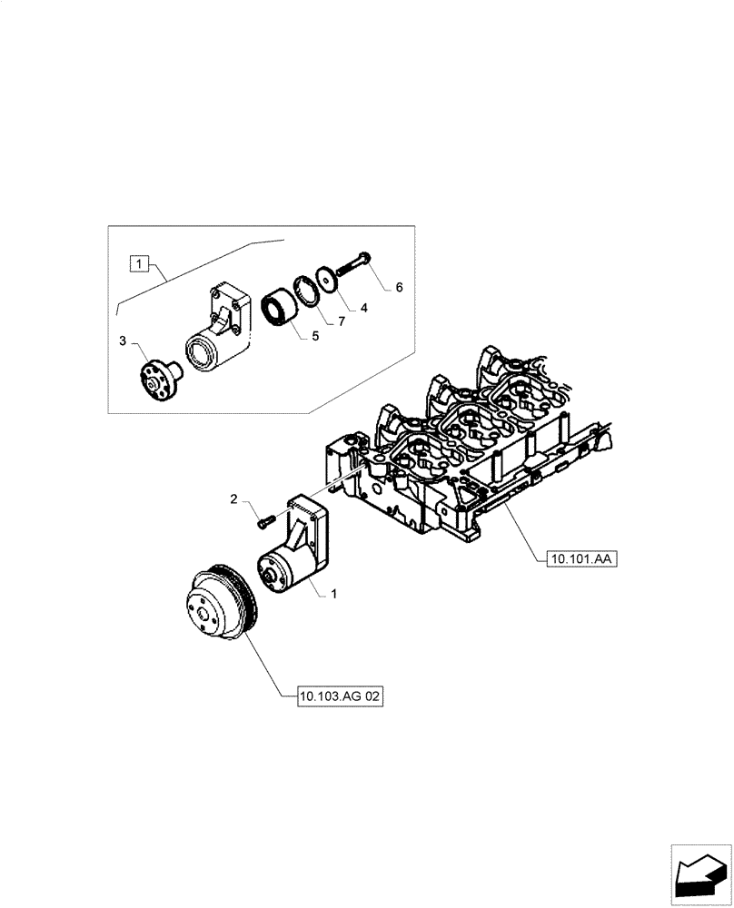
(55.301.AB) - PULLEY & BELT
№
Артикул
Название
Примечание
Количество
1
2852170
SUPPORT
Incl 2 7
1шт.
2
4899053
SCREW,Hex Flg, M8 x 45
4шт.
3
4892426
HUB
4
4890732
RETAINER,11.50mm ID x 52mm OD x 7mm
5
5801496052
BALL BEARING
6
2852172
BOLT,Flng, M10 x 1.5 x 70mm
M10 x 1.5 x 70
7
2852171
SNAP RING
Выбрано товаров: 7