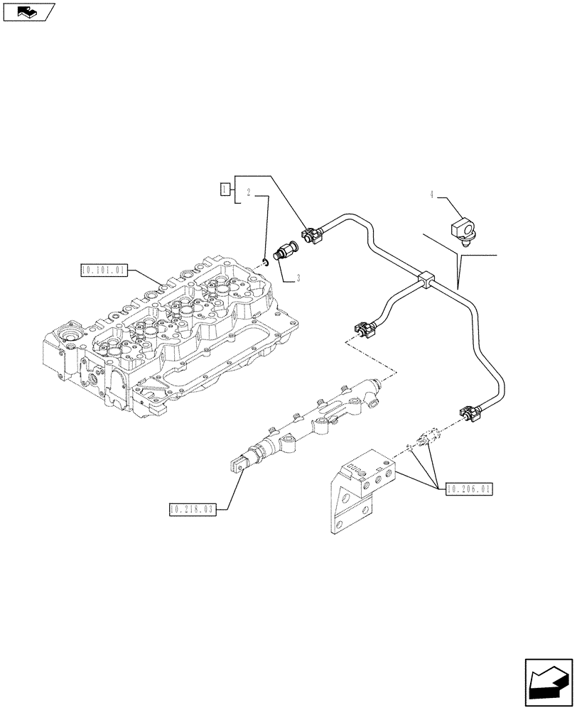
Запчасти Case IH F4HE9484M J100 (10.218.05) - INJECTION EQUIPMENT - PIPING (2855335) (10) - ENGINE

Схема запчастей Case IH F4HE9484M J100 - (10.218.05) - INJECTION EQUIPMENT - PIPING (2855335) (10) - ENGINE
home
10.101.01
10.206.01
10.218.03
3
1
2
4
FIT
1:1
100%

Артикул

Название

Примечание

Количество

1

2855336

RETURN PIPE

ASSY

1шт.

2

4894095

O-RING,2.5mm Thk x 8mm ID, 60 Duro

3шт.

3

4896329

VALVE PRESSURE RELIE,M12 x 1.5

1шт.

4

4896996

CLAMP,8mm D Clamping pipes

1шт.

Выбрано товаров: 0