Качественные детали и логистика
Оригинальные и аналоговые запчасти с доставкой по России, Казахстану и Беларуси
©2022 PartSell ООО "Система" ИНН 2463123282 ОГРН 1212400004838
Центральный офис: г. Красноярск, Академика Киренского, д.87, пом.4
Телефон: 8 (800) 777-65-74 Email: zakaz@partsell.ru
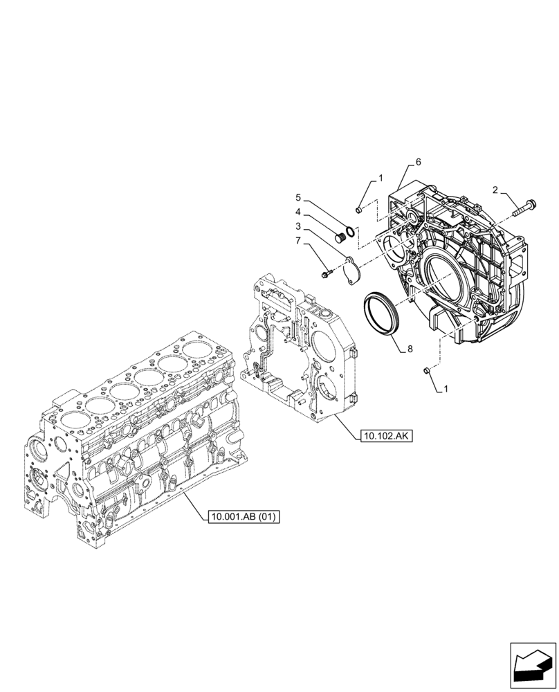
(10.103.AK) - FLYWHEEL HOUSING, 4088
№
Артикул
Название
Примечание
Количество
1
4899026
DOWEL,M18 x 10
2шт.
2
4899109
SCREW,Hex, M10 x 1.5 x 80
4892915
FLANGE BOLT,Hex, M10 x 1.5 x 40mm
10шт.
4899076
SCREW,Hex Flg, M12 x 1.75 x 80
6шт.
4897499
SCREW,Hex, M12 x 1.75 x 110mm
Head Cap
3
4895155
COVER
1шт.
4
4895378
BUTTON PLUG,M29.2
5
4895379
O-RING,21.82mm ID x 3.53mm Width
6
2852425
HOUSING
Flywheel
7
4899068
BOLT,Flng, M8 x 1.25 x 16mm
8
84575645
OIL SEAL,130mm ID x 155mm OD x 16mm Thk
Выбрано товаров: 0