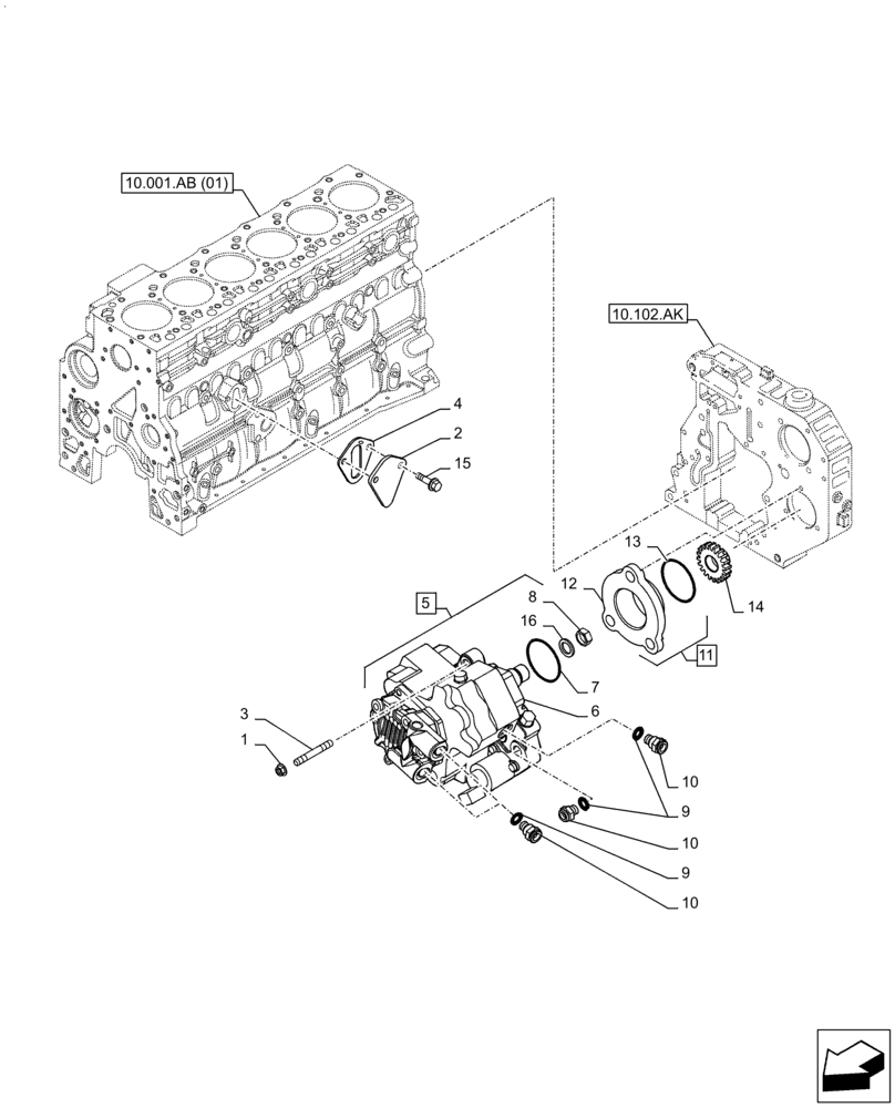
Запчасти Case IH F4HE96841 J102 (10.218.AQ) - FUEL INJECTION PUMP, 4088 (10) - ENGINE

Схема запчастей Case IH F4HE96841 J102 - (10.218.AQ) - FUEL INJECTION PUMP, 4088 (10) - ENGINE
1
4
9
6
16
11
12
7
10
14
9
2
15
10
10.001.ab (01)
5
8
10.102.ak
3
13
10
FIT
1:1
100%

Артикул

Название

Примечание

Количество

1

4899003

FLANGE NUT,M8 x 1.25

M8 x 1.25

3шт.

2

4896952

COVER

1шт.

3

2852488

STUD,M8 x 1,25 x 50mm

M8 x 1.25 x 50

3шт.

4

4890700

GASKET,1.21mm Thk

1шт.

5

84385110

FUEL INJECTION PUMP

ASSY, Incl 6 - 10, 16

1шт.

5

84385110R

REMAN-INJECTION PUMP

1шт.

5

84385110C

CORE-INJECTION PUMP

Return Number

1шт.

6

NSS

NOT SOLD SEPARAT

Pump, Incl in 1

1шт.

7

4890088

O-RING,44mm ID x 3mm Width

1шт.

8

4890634

NUT,Hex, M18 x 1.5, RH

1шт.

9

4891385

SEALING WASHER,12.2mm ID x 15.4mm OD x 1.5mm Thk

4шт.

10

4893962

QUICK MALE COUPLING,M12 x 1.5

M12 x 1.5

4шт.

11

2852804

HUB

ASSY, Incl 12, 13

1шт.

12

2852806

ADAPTER

1шт.

13

2852805

O-RING,2.6mm Thk x 72.6mm ID

ID = 72.69 x 2.62

1шт.

14

4893389

DRIVEN GEAR,27T

1шт.

15

16586324

BOLT,Hex, M8 x 20mm, Cl 8.8, Full Thd

M8 x 20

2шт.

16

4890635

SPRING WASHER

1шт.

Выбрано товаров: 18