Качественные детали и логистика
Оригинальные и аналоговые запчасти с доставкой по России, Казахстану и Беларуси
©2022 PartSell ООО "Система" ИНН 2463123282 ОГРН 1212400004838
Центральный офис: г. Красноярск, Академика Киренского, д.87, пом.4
Телефон: 8 (800) 777-65-74 Email: zakaz@partsell.ru
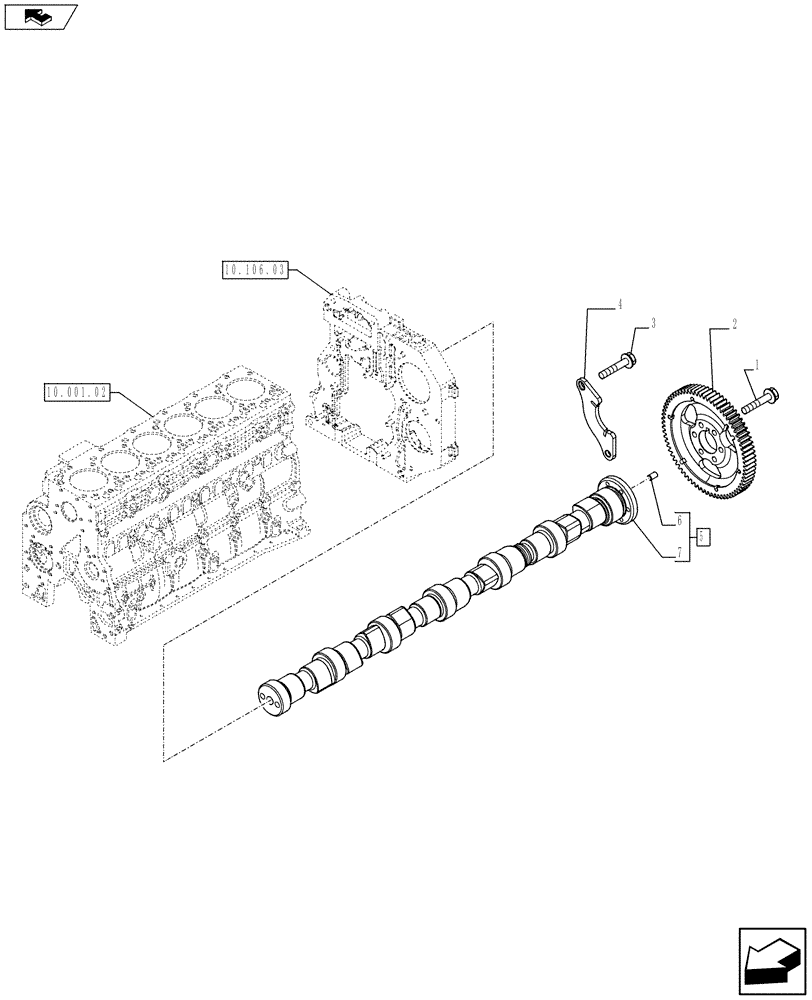
(10.106.01) - CAMSHAFT - TIMING CONTROL (504101885)
№
Артикул
Название
Примечание
Количество
1
4899079
SCREW,Hex Flg, M8 x 1.25 x 25
6шт.
2
4896380
DRIVEN GEAR
1шт.
3
4899068
BOLT,Flng, M8 x 1.25 x 16mm
2шт.
4
4897457
SUPPORT
5
2854604
CAMSHAFT
- ASSY
6
4899080
DOWEL,M6 x 8 L
Выбрано товаров: 6