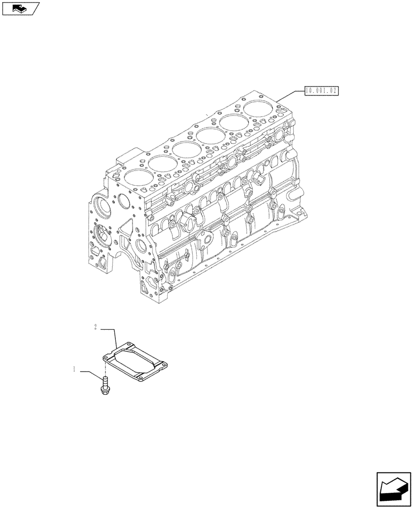
Запчасти Case IH F4HE9684D J105 (10.001.03) - CRANKCASE (504080074) (01) - ENGINE

Схема запчастей Case IH F4HE9684D J105 - (10.001.03) - CRANKCASE (504080074) (01) - ENGINE
1
home
10.001.02
2
FIT
1:1
100%

Артикул

Название

Примечание

Количество

1

4899032

SCREW,Hex Flg, M10 x 1.5 x 25

4шт.

2

2852729

STIFFENER

1шт.

Выбрано товаров: 2