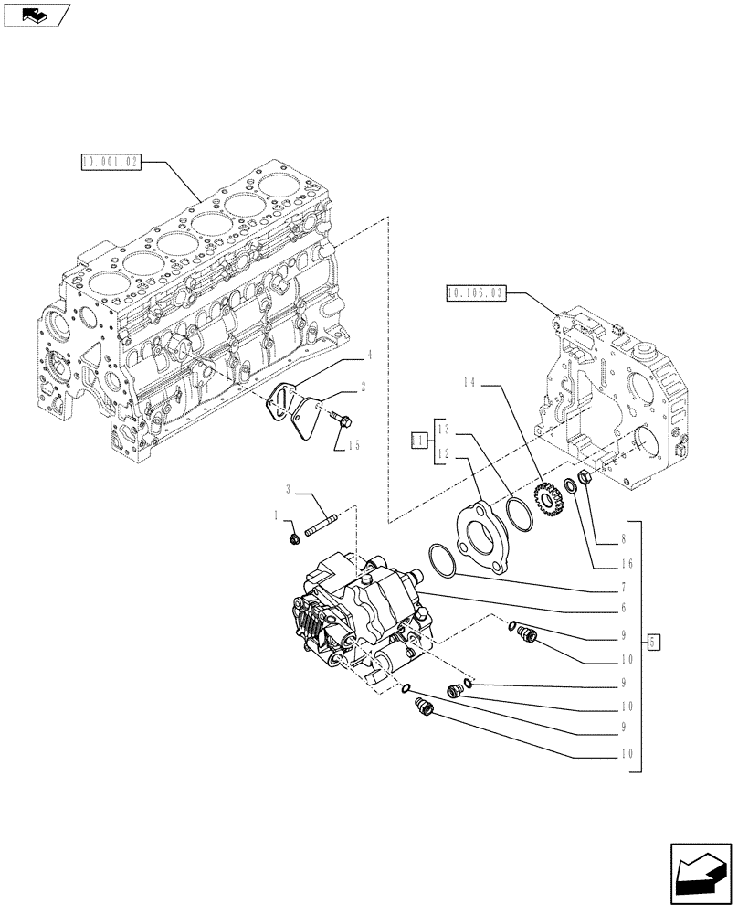
Запчасти Case IH F4HE9684D J109 (10.247.01) - INJECTION PUMP (504041280) (10) - ENGINE

Схема запчастей Case IH F4HE9684D J109 - (10.247.01) - INJECTION PUMP (504041280) (10) - ENGINE
2
14
10.001.02
10.106.03
1
9
15
10
9
4
13
16
home
7
6
12
9
3
10
10
11
5
8
FIT
1:1
100%

Артикул

Название

Примечание

Количество

1

4899003

FLANGE NUT,M8 x 1.25

3шт.

2

4896952

COVER

1шт.

3

16747224

STUD

M8X1,25X50

3шт.

4

4890700

GASKET,1.21mm Thk

1шт.

5

84385110

FUEL INJECTION PUMP

ASSY

1шт.

6

NSS

NOT SOLD SEPARAT

1шт.

7

4890088

O-RING,44mm ID x 3mm Width

1шт.

8

4890634

NUT,Hex, M18 x 1.5, RH

M18 x 1.5

1шт.

9

4891385

SEALING WASHER,12.2mm ID x 15.4mm OD x 1.5mm Thk

4шт.

10

4893962

QUICK MALE COUPLING,M12 x 1.5

4шт.

11

2852804

HUB

ASSY

1шт.

12

2852806

ADAPTER

1шт.

13

2852805

O-RING,2.6mm Thk x 72.6mm ID

1шт.

14

4893389

DRIVEN GEAR,27T

1шт.

15

16586324

BOLT,Hex, M8 x 20mm, Cl 8.8, Full Thd

2шт.

16

4890635

SPRING WASHER

1шт.

Выбрано товаров: 16