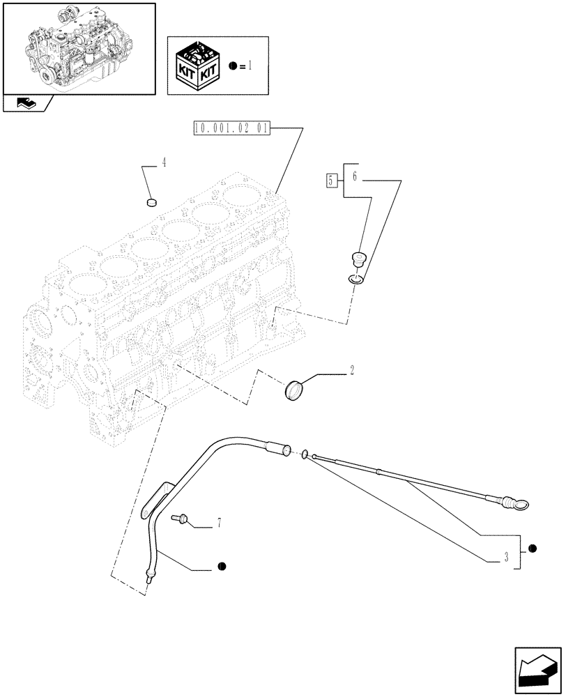
Запчасти Case IH F4HE9684J J100 (10.102.03) - ENGINE OIL DIPSTICK (2855432 - 2855441)

Схема запчастей Case IH F4HE9684J J100 - (10.102.03) - ENGINE OIL DIPSTICK (2855432 - 2855441)
7
1
4
home
2
10.001.02 01
1
6
3
5
1
1
FIT
1:1
100%

Артикул

Название

Примечание

Количество

1

2855433

DIPSTICK

OIL LEVEL, ASSY

1шт.

2

4895037

EXPANSION PLUG,32.03mm

1шт.

3

4898502

O-RING,0.364" ID x 0.504" OD x 0.07"

1шт.

4

4895406

EXPANSION PLUG,9.8mm OD

3шт.

5

4897330

HEX SOCKET PLUG,M12 x 1.5

ASSY

1шт.

6

4895610

O-RING,2.2mm Thk x 9.3mm ID

1шт.

7

2855440

SCREW

M1 x 16

1шт.

Выбрано товаров: 7