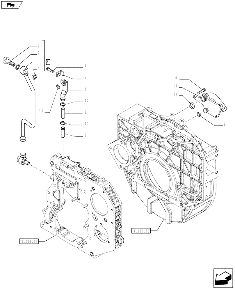
Запчасти Case IH F4HE9684J J106 (10.101.03) - BREATHER - ENGINE (504225957) (10) - ENGINE

Схема запчастей Case IH F4HE9684J J106 - (10.101.03) - BREATHER - ENGINE (504225957) (10) - ENGINE
3
9
12
7
14
5
4
7
2
11
home
6
13
12
8
10.103.03
10.106.03
1
10
FIT
1:1
100%

Артикул

Название

Примечание

Количество

1

4897534

TUBE

1шт.

2

4897546

RUBBER SLEEVE

1шт.

3

2855933

TUBE

1шт.

4

4897537

SCREW

1шт.

5

4897536

BRACKET

1шт.

6

16511211

BANJO BOLT

2шт.

7

4899926

SEALING WASHER,11.8mm ID x 18.0mm OD x 1.5mm Thk

4шт.

8

4899219

TUBE

ASSY

1шт.

9

2855200

O-RING

1шт.

10

4899110

SCREW,Hex Flg, M6 x 1 x 20

3шт.

11

2855934

BREATHER

1шт.

12

4893234

HOSE CLAMP

2шт.

13

4898439

O-RING,20.29mm ID x 2.62mm Width

1шт.

14

4898372

O-RING,13.11mm ID x 2.62mm Width

1шт.

Выбрано товаров: 14