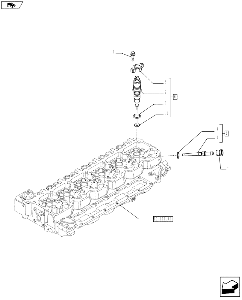
Запчасти Case IH F4HE9684J J106 (10.218.02) - INJECTION EQUIPMENT - INJECTOR (504129392) (10) - ENGINE

Схема запчастей Case IH F4HE9684J J106 - (10.218.02) - INJECTION EQUIPMENT - INJECTOR (504129392) (10) - ENGINE
8
9
1
10.101.01
home
2
3
6
4
10
7
4
FIT
1:1
100%

Артикул

Название

Примечание

Количество

1

4895483

BOLT,Flng, M6 x 1 x 35mm

12шт.

2

2854606

FUEL TUBE,Connector Assembly

ASSY

6шт.

3

NSS

NOT SOLD SEPARAT

1шт.

4

4890929

O-RING,3mm Thk x 11mm ID

1шт.

5

4893739

TUBE NUT,Hex, M22 x 1.5

6шт.

6

2855135

FUEL SYSTEM INJECTOR

ASSY

6шт.

7

NSS

NOT SOLD SEPARAT

1шт.

8

2854609

BRACKET

1шт.

9

4890926

O-RING,3mm Thk x 20.9mm ID, 60 Duro

1шт.

10

4899689

SEALING WASHER,7mm ID x 15mm OD x 1.5mm Thk

1шт.

Выбрано товаров: 10