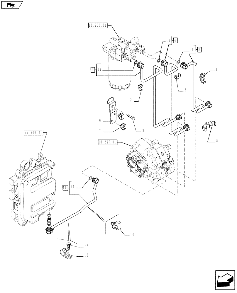
Запчасти Case IH F4HE9687F J100 (10.218.01) - PIPING - FUEL (2859604-2855332) (10) - ENGINE

Схема запчастей Case IH F4HE9687F J100 - (10.218.01) - PIPING - FUEL (2859604-2855332) (10) - ENGINE
11
3
12
13
14
home
10
55.640.01
10.247.01
10.206.01
9
5
7
6
11
8
2
4
2
11
1
11
FIT
1:1
100%

Артикул

Название

Примечание

Количество

1

2852440

TUBE

ASSY

1шт.

2

2859676

CLIP

3шт.

3

2859605

INJECTION PIPE

ASSY

1шт.

4

2852443

TUBE

ASSY

1шт.

5

504384236

1шт.

6

2852451

BRACKET

1шт.

7

2852452

CABLE CLIP

2шт.

8

4897277

SCREW

1шт.

9

2859677

CLIP

2шт.

10

2859679

PLASTIC-RUBBER TUBE

ASSY

1шт.

11

4894095

O-RING,2.5mm Thk x 8mm ID, 60 Duro

8шт.

12

4895462

CLAMP

1шт.

13

4899103

SCREW,Hex Flg, M8 x 1.25 x 12

1шт.

14

4896996

CLAMP,8mm D Clamping pipes

1шт.

Выбрано товаров: 14