Запчасти Case IH F4HE9687F J100 (10.001.02) - CRANKCASE (2852417) (10) - ENGINE

Схема запчастей Case IH F4HE9687F J100 - (10.001.02) - CRANKCASE (2852417) (10) - ENGINE
3
2
1
16
13
1
9
1
15
15
14
1
6
7
1
11
8
20
1
4
17
3
10
1
12
1
18
1
home
10.106.01
10.105.01
1
2
1
19
FIT
1:1
100%

Артикул

Название

Примечание

Количество

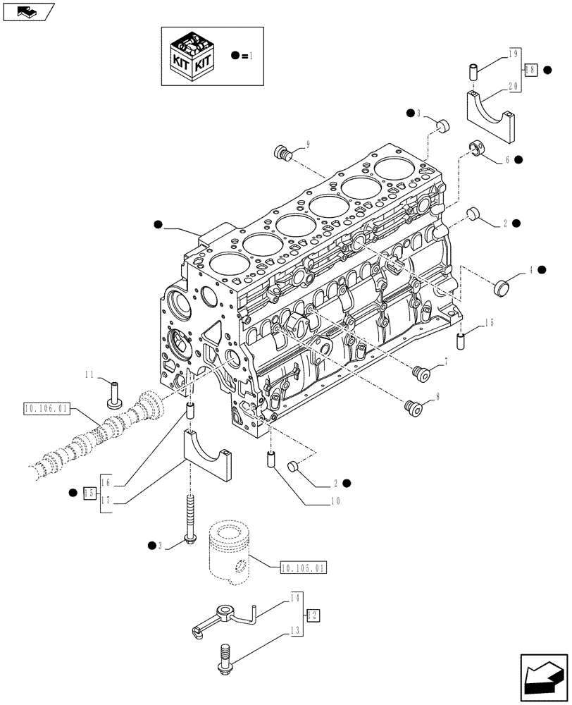
1

2830076

CYLINDER BLOCK,6 Cylinders

1шт.

2

4895039

EXPANSION PLUG,M17.73

3шт.

3

4895038

EXPANSION PLUG,M58.06

6шт.

4

4895228

EXPANSION PLUG,35.23mm x 7.94mm

3шт.

5

4891353

SCREW,Flg Hd, M12 x 1.5 x 120

14шт.

6

4895040

BUSHING,54.39mm ID x 59.39mm OD x 25.4mm L

1шт.

7

4895605

HEX SOCKET PLUG,M14 x 1.5

2шт.

8

4899009

PLUG,M10 x1

2шт.

9

4895392

HEX SOCKET PLUG,M18 x 1.5

2шт.

10

4895049

DOWEL,M16.05 x 10

2шт.

11

4891226

TAPPET

12шт.

12

2852202

NOZZLE, PISTON COOLI

ASSY

6шт.

13

4894218

SCREW,Special, M8 x 20

1шт.

14

2852203

NOZZLE, PISTON COOLI

1шт.

15

4895919

BEARING ASSY,86.1mm D

ASSY

6шт.

16

4899026

DOWEL,M18 x 10

2шт.

17

4892951

BEARING CAP,24.5 mm

1шт.

18

4895921

BEARING ASSY,86.1mm D

ASSY

1шт.

19

4899026

DOWEL,M18 x 10

2шт.

20

4895952

1шт.

Выбрано товаров: 20