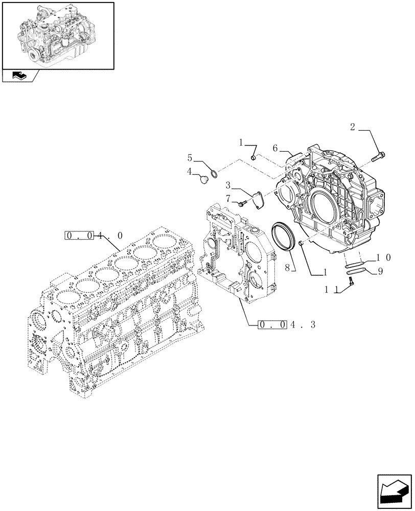
Запчасти Case IH F4HE9687G J101 (0.04.3[03]) - CRANKCASE COVERS (2855415)

Схема запчастей Case IH F4HE9687G J101 - (0.04.3[03]) - CRANKCASE COVERS (2855415)
10
0.04.3
2
1
8
5
3
7
0.04.0
11
1
4
home
8
9
6
FIT
1:1
100%

Артикул

Название

Примечание

Количество

1

4899026

DOWEL,M18 x 10

2шт.

2

4899109

SCREW,Hex, M10 x 1.5 x 80

2шт.

2

4892915

FLANGE BOLT,Hex, M10 x 1.5 x 40mm

5шт.

2

4899076

SCREW,Hex Flg, M12 x 1.75 x 80

6шт.

2

4899122

BOLT,Flng, M10 x 1.5 x 110mm

M12X1,75X120

1шт.

2

4899143

SCREW,Hex Flg, M10 x 1.5 x 140

1шт.

2

4899144

SCREW,Hex Flg, M10 x 1.5 x 50

2шт.

2

4899145

BOLT,Flng, M12 x 1.75 x 100mm

M12X1,75X100

1шт.

2

2830622

SCREW

M10X1,5X60

1шт.

2

4898444

SCREW

M12X1,75X90

1шт.

3

4895155

COVER

1шт.

4

4895378

BUTTON PLUG,M29.2

1шт.

5

4895379

O-RING,21.82mm ID x 3.53mm Width

1шт.

6

4897044

HOUSING

1шт.

7

4899068

BOLT,Flng, M8 x 1.25 x 16mm

2шт.

8

4890833

OIL SEAL,M130 x 155 x 12.5/16

1шт.

9

2855417

COVER

1шт.

10

4893494

GASKET

1шт.

11

4899068

BOLT,Flng, M8 x 1.25 x 16mm

2шт.

Выбрано товаров: 19