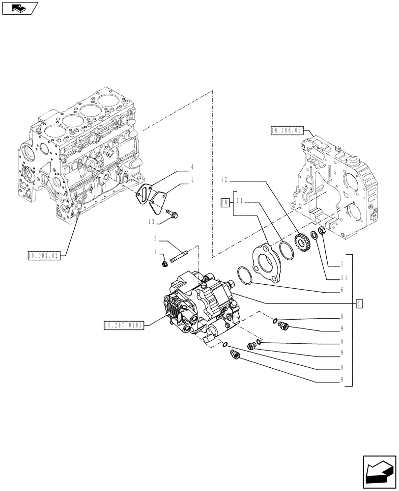
Запчасти Case IH F4HE9687L J100 (10.247.01) - INJECTION PUMP (2852487) (10) - ENGINE

Схема запчастей Case IH F4HE9687L J100 - (10.247.01) - INJECTION PUMP (2852487) (10) - ENGINE
14
11
5
3
8
12
8
4
8
9
13
9
10.247.0101
10.106.03
10.001.02
2
1
6
home
7
9
10
FIT
1:1
100%

Артикул

Название

Примечание

Количество

1

4899003

FLANGE NUT,M8 x 1.25

3шт.

2

4896952

COVER

1шт.

3

2852488

STUD,M8 x 1,25 x 50mm

M8 x 1,25 x 50

1шт.

4

4890700

GASKET,1.21mm Thk

1шт.

5

84385110

FUEL INJECTION PUMP

ASSY

1шт.

6

4890088

O-RING,44mm ID x 3mm Width

1шт.

7

4890634

NUT,Hex, M18 x 1.5, RH

1шт.

8

4891385

SEALING WASHER,12.2mm ID x 15.4mm OD x 1.5mm Thk

4шт.

9

4893962

QUICK MALE COUPLING,M12 x 1.5

4шт.

10

2852804

HUB

ASSY

1шт.

11

2852805

O-RING,2.6mm Thk x 72.6mm ID

1шт.

12

4893389

DRIVEN GEAR,27T

1шт.

13

2852234

FLANGE BOLT,Hex, M8 x 1.25 x 20mm

2шт.

14

4890635

SPRING WASHER

1шт.

Выбрано товаров: 14