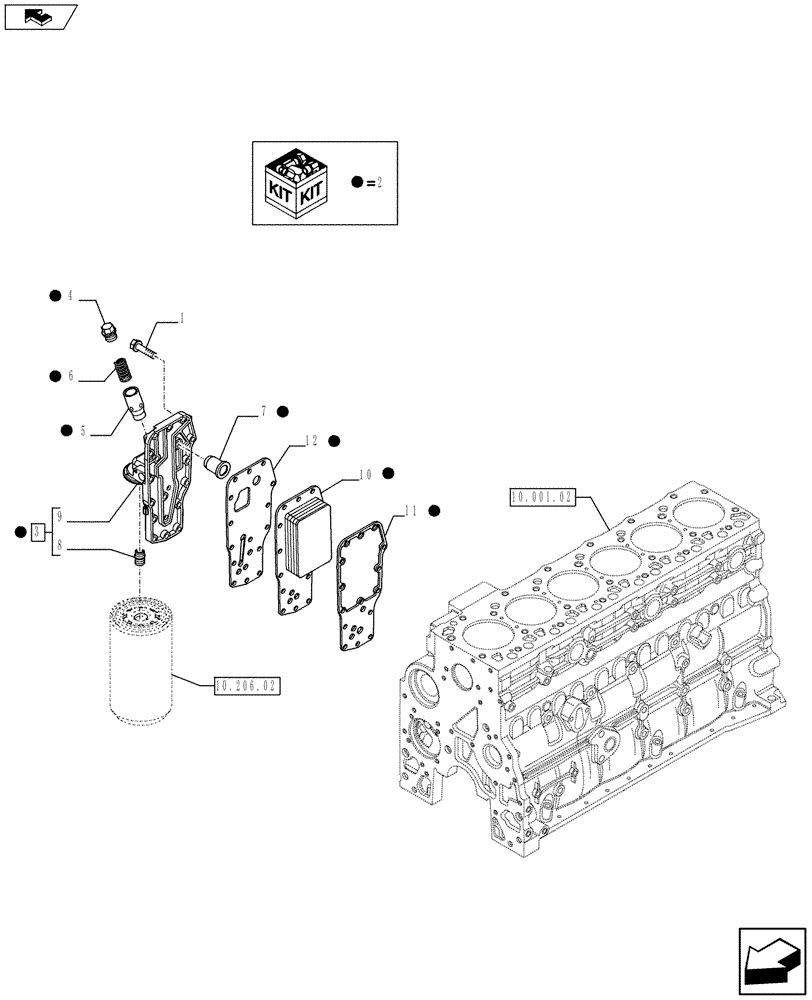
Запчасти Case IH F4HE9687L J100 (10.408.01) - HEAT EXCHANGER - ENGINE (2853603) (10) - ENGINE

Схема запчастей Case IH F4HE9687L J100 - (10.408.01) - HEAT EXCHANGER - ENGINE (2853603) (10) - ENGINE
2
1
2
3
7
2
10
10.206.02
10.001.02
2
11
4
12
9
2
2
2
home
2
8
5
6
2
2
FIT
1:1
100%

Артикул

Название

Примечание

Количество

1

4899019

SCREW,Hex Flg, M8 x 1.25 x 35

15шт.

2

2853780

FILTER HEAD

1шт.

3

4899566

FILTER HEAD

ASSY

1шт.

4

2853781

PLUG,Hex, M22 x 1.5 ORB

1шт.

5

4896404

PLUNGER,10mm ID, 12mm OD, 15.44mm ID, 18.26mm OD

1шт.

6

4895045

SPRING,Compression, 14.7mm OD x 66mm L

1шт.

7

J936365

VALVE PRESSURE RELIE

1шт.

8

4893391

ADAPTER,M24 x 2 x M27 x 2

1шт.

9

4898661

1шт.

10

4896406

HEAT EXCHANGER

1шт.

11

2830559

GASKET,0.5mm Thk

1шт.

12

4896409

GASKET,1.55mm Thk

1шт.

Выбрано товаров: 0