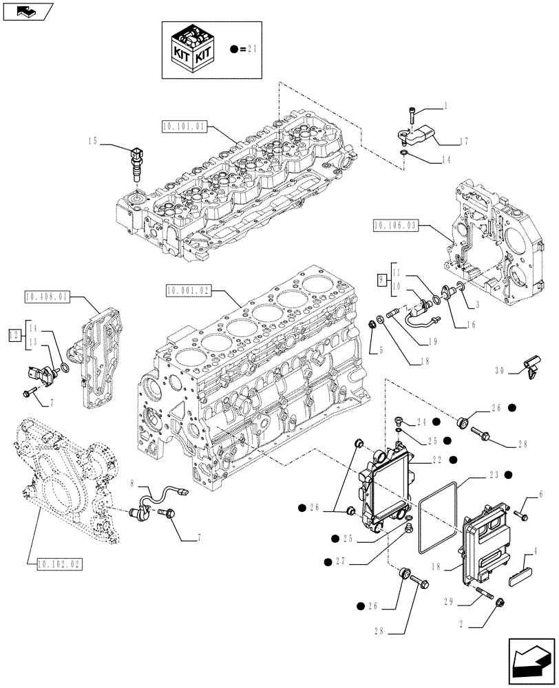
Запчасти Case IH F4HE9687L J100 (55.640.01) - ELECTRONIC INJECTION (2854592) (55) - ELECTRICAL SYSTEMS

Схема запчастей Case IH F4HE9687L J100 - (55.640.01) - ELECTRONIC INJECTION (2854592) (55) - ELECTRICAL SYSTEMS
3
30
23
6
21
14
5
21
26
4
24
21
7
15
13
14
28
28
21
21
home
10
8
22
21
17
29
21
12
18
21
21
10.102.02
10.106.03
10.101.01
10.001.02
10.408.01
2
16
26
18
19
25
9
21
21
27
11
1
26
7
25
FIT
1:1
100%

Артикул

Название

Примечание

Количество

1

4895817

BOLT,Flng, M6 x 1 x 20mm, Cl 10.9

1шт.

2

4899057

FLANGE NUT,M6

1шт.

3

2852817

O-RING,1.7mm Thk x 23.5mm ID

M23.5 x 1.7

1шт.

4

2852825

PLUG,100mm x 40mm L

1шт.

5

2854282

NUT,M6 x 1

1шт.

6

2852818

SCREW,Hex, M6 x 1 x 30mm

M6 x 30

7шт.

7

4899110

SCREW,Hex Flg, M6 x 1 x 20

3шт.

8

4890189

SENSOR

1шт.

9

4890190

SENSOR

ASSY

1шт.

10

2852820

O-RING,0.07" Thk x 0.676" ID, 17, Cl 7, 75 Duro

17.17 x 1.78 mm

1шт.

11

4890193

SENSOR

1шт.

12

4895477

O-RING,2.62mm Thk x 13.94mm ID

ASSY

1шт.

13

4897224

SENSOR

Temperature

1шт.

14

4892255

HOUSING

1шт.

15

2852821

SENSOR

Sensor, Air Pressure & Temperature, 4 wire

1шт.

16

4899124

WASHER

1шт.

17

4895157

STUD

1шт.

18

2854594

ECU

1шт.

19

2854596

BRACKET

1шт.

20

2854079

GASKET,6.45mm Thk

1шт.

21

4896542

HYD CONNECTOR,M12 x 1.5 ORB x 6 ORFS

M12 x 1.5

1шт.

22

2854292

SEALING WASHER,12mm ID x 17mm OD x 1.5mm Thk

2шт.

23

2855150

INSULATOR BLOCK

6шт.

24

4890964

FITTING,M12 x 1.5

1шт.

25

4899078

SCREW,Hex Flg, M8 x 1.25 x 45

3шт.

26

2854593

STUD

1шт.

Выбрано товаров: 0