Запчасти Case IH F4HE9687L J100 (10.001.03) - CRANKCASE (2852728) (10) - ENGINE

Схема запчастей Case IH F4HE9687L J100 - (10.001.03) - CRANKCASE (2852728) (10) - ENGINE
10.001.02
1
home
2
FIT
1:1
100%

Артикул

Название

Примечание

Количество

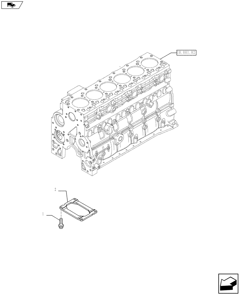
1

4899032

SCREW,Hex Flg, M10 x 1.5 x 25

4шт.

2

2852729

STIFFENER

1шт.

Выбрано товаров: 2