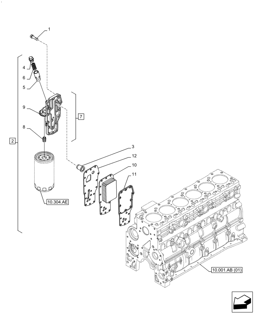
Запчасти Case IH F4HE9687N J104 (10.408.AC) - ENGINE OIL, HEAT EXCHANGER (10) - ENGINE

Схема запчастей Case IH F4HE9687N J104 - (10.408.AC) - ENGINE OIL, HEAT EXCHANGER (10) - ENGINE
7
9
6
4
12
10.001.ab (01)
8
2
1
3
5
11
10
10.304.ae
FIT
1:1
100%

Артикул

Название

Примечание

Количество

1

4899019

SCREW,Hex Flg, M8 x 1.25 x 35

M8 x 1.25 x 35

15шт.

2

2853780

FILTER HEAD

ASSY, Incl 3 - 12

1шт.

3

J936365

VALVE PRESSURE RELIE

1шт.

4

2853781

PLUG,Hex, M22 x 1.5 ORB

1шт.

5

4896404

PLUNGER,10mm ID, 12mm OD, 15.44mm ID, 18.26mm OD

1шт.

6

4895045

SPRING,Compression, 14.7mm OD x 66mm L

1шт.

7

4899566

FILTER HEAD

ASSY, Incl 8, 9

1шт.

8

4893391

ADAPTER,M24 x 2 x M27 x 2

1шт.

9

NSS

NOT SOLD SEPARAT

Housing, Incl in 7

1шт.

10

4896407

OIL COOLER

Alternative

1шт.

10

2853604

OIL COOLER

Alternative

1шт.

11

2830559

GASKET,0.5mm Thk

1шт.

12

4896409

GASKET,1.55mm Thk

1шт.

Выбрано товаров: 13