Качественные детали и логистика
Оригинальные и аналоговые запчасти с доставкой по России, Казахстану и Беларуси
©2022 PartSell ООО "Система" ИНН 2463123282 ОГРН 1212400004838
Центральный офис: г. Красноярск, Академика Киренского, д.87, пом.4
Телефон: 8 (800) 777-65-74 Email: zakaz@partsell.ru
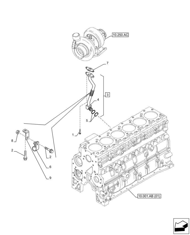
(10.250.AE) - TURBOCHARGER, RETURN LINE
№
Артикул
Название
Примечание
Количество
1
4899079
SCREW,Hex Flg, M8 x 1.25 x 25
M8 x 1.25 x 25
2шт.
2
4899068
BOLT,Flng, M8 x 1.25 x 16mm
3
47547973
TUBE
ASSY, Incl 4, 5
1шт.
4
NSS
NOT SOLD SEPARAT
Tube, Incl in 3
5
2852801
O-RING
6
4896893
CLAMP,20mm W
7
4891288
GASKET,0.8mm Thk
8
4899003
FLANGE NUT,M8 x 1.25
9
2852390
BRACKET
Выбрано товаров: 0