Запчасти Case IH F4HE9687T J104 (10.400.AE) - WATER PUMP, INLET MANIFOLD (10) - ENGINE

Схема запчастей Case IH F4HE9687T J104 - (10.400.AE) - WATER PUMP, INLET MANIFOLD (10) - ENGINE
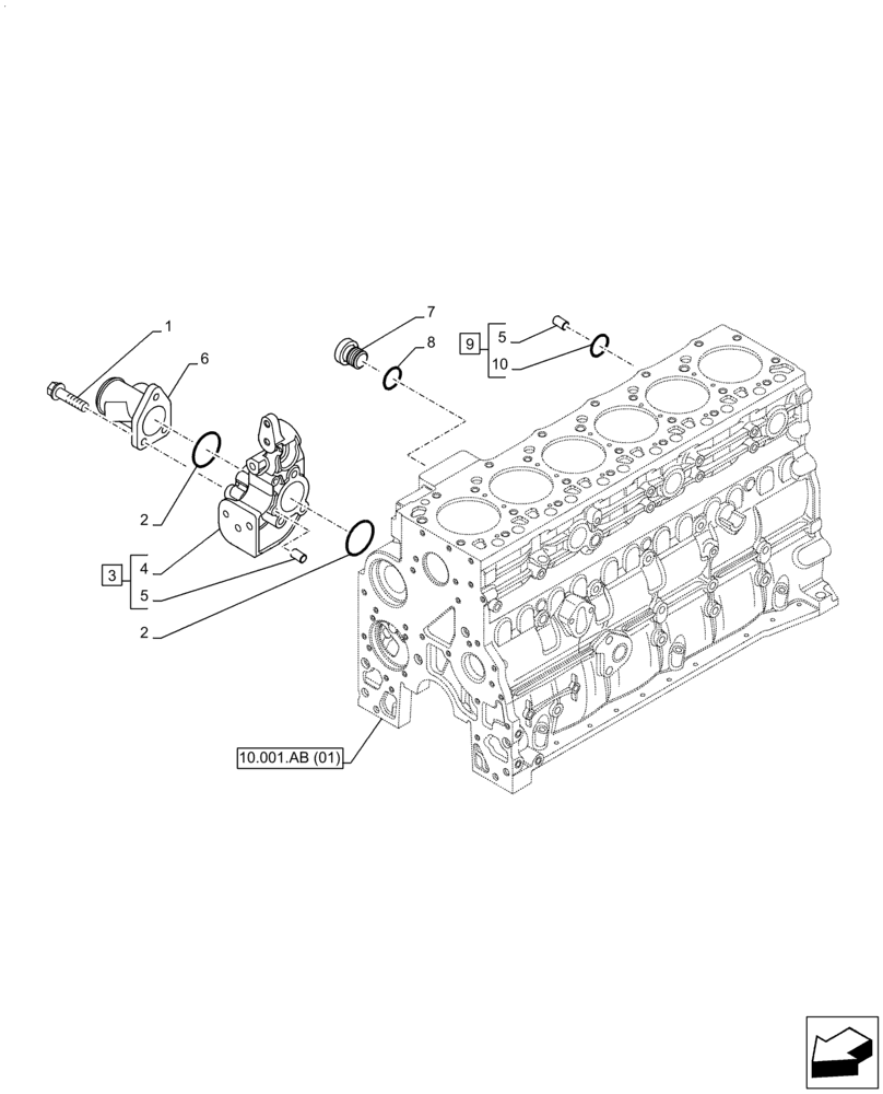
2
3
5
6
2
10
1
7
9
8
10.001.ab (01)
5
4
FIT
1:1
100%

Артикул

Название

Примечание

Количество

1

2852325

SCREW

3шт.

2

2854072

SEALING RING,Square, 5.16mm Thk x 50.17mm ID

2шт.

3

2852392

SUPPORT

ASSY, Incl 4, 5

1шт.

4

NSS

NOT SOLD SEPARAT

1шт.

5

4895576

DOWEL

3шт.

6

2852468

TUBE

1шт.

7

2852496

PLUG,M18 x 1.5

2шт.

8

4899824

SEALING WASHER,18.2mm ID x 21.9mm OD x 1.5mm Thk

2шт.

9

4895392

HEX SOCKET PLUG,M18 x 1.5

Incl 5,10

1шт.

10

4895393

O-RING,2.2mm Thk x 15.3mm ID

1шт.

Выбрано товаров: 10