Запчасти Case IH F4HE9687Z J100 (10.304.01[01]) - OIL LEVEL CHECK (2859600-2852376) (10) - ENGINE

Схема запчастей Case IH F4HE9687Z J100 - (10.304.01[01]) - OIL LEVEL CHECK (2859600-2852376) (10) - ENGINE
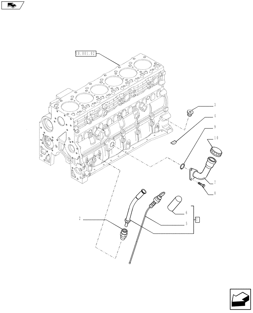
5
7
3
8
home
10
4
10.001.02
1
2
9
6
FIT
1:1
100%

Артикул

Название

Примечание

Количество

1

2859601

DIPSTICK

ASSY

1шт.

2

2852996

SLEEVE

1шт.

3

4897330

HEX SOCKET PLUG,M12 x 1.5

2шт.

4

4895406

EXPANSION PLUG,9.8mm OD

2шт.

5

2859602

DIPSTICK

1шт.

6

2857051

PLASTIC PLUG,25mm ID, 70mm L

1шт.

7

2852377

NECK FILLER

1шт.

8

2852134

FLANGE BOLT,Hex, M12 x 1.75 x 25mm

2шт.

9

2852135

O-RING,2.6mm Thk x 37.7mm ID

1шт.

10

2852136

CAP,48mm ID x 56mm OD x 18mm W

1шт.

Выбрано товаров: 10