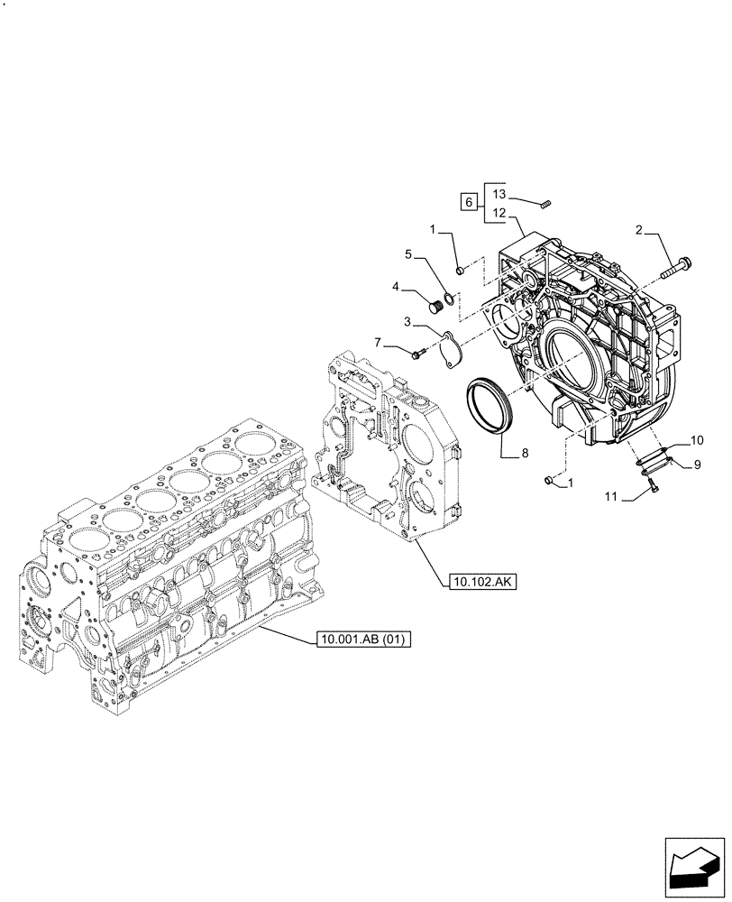
Запчасти Case IH F4HFA613K E003 (10.103.AK) - ENGINE FLYWHEEL (10) - ENGINE

Схема запчастей Case IH F4HFA613K E003 - (10.103.AK) - ENGINE FLYWHEEL (10) - ENGINE
9
7
2
1
1
5
4
10.102.ak
11
10.001.ab (01)
12
13
6
3
8
10
FIT
1:1
100%

Артикул

Название

Примечание

Количество

1

4899026

DOWEL,M18 x 10

2шт.

2

4899109

SCREW,Hex, M10 x 1.5 x 80

2шт.

2

4892915

FLANGE BOLT,Hex, M10 x 1.5 x 40mm

5шт.

2

4899076

SCREW,Hex Flg, M12 x 1.75 x 80

6шт.

2

4899122

BOLT,Flng, M10 x 1.5 x 110mm

1шт.

2

4899143

SCREW,Hex Flg, M10 x 1.5 x 140

1шт.

2

4899144

SCREW,Hex Flg, M10 x 1.5 x 50

2шт.

2

4899145

BOLT,Flng, M12 x 1.75 x 100mm

1шт.

2

2830622

SCREW

1шт.

2

4898444

SCREW

1шт.

3

4895155

COVER

1шт.

4

4895378

BUTTON PLUG,M29.2

1шт.

5

4895379

O-RING,21.82mm ID x 3.53mm Width

1шт.

6

84490025

HOUSING

ASSY; Incl 12-13

1шт.

7

4899068

BOLT,Flng, M8 x 1.25 x 16mm

2шт.

8

84575645

OIL SEAL,130mm ID x 155mm OD x 16mm Thk

1шт.

9

2855417

COVER

1шт.

10

4893494

GASKET

1шт.

11

4899068

BOLT,Flng, M8 x 1.25 x 16mm

2шт.

12

NSS

NOT SOLD SEPARAT

HOUSING FLYWHEEL; Incl in 6

1шт.

13

2855416

INSERT

1шт.

Выбрано товаров: 21