Качественные детали и логистика
Оригинальные и аналоговые запчасти с доставкой по России, Казахстану и Беларуси
©2022 PartSell ООО "Система" ИНН 2463123282 ОГРН 1212400004838
Центральный офис: г. Красноярск, Академика Киренского, д.87, пом.4
Телефон: 8 (800) 777-65-74 Email: zakaz@partsell.ru
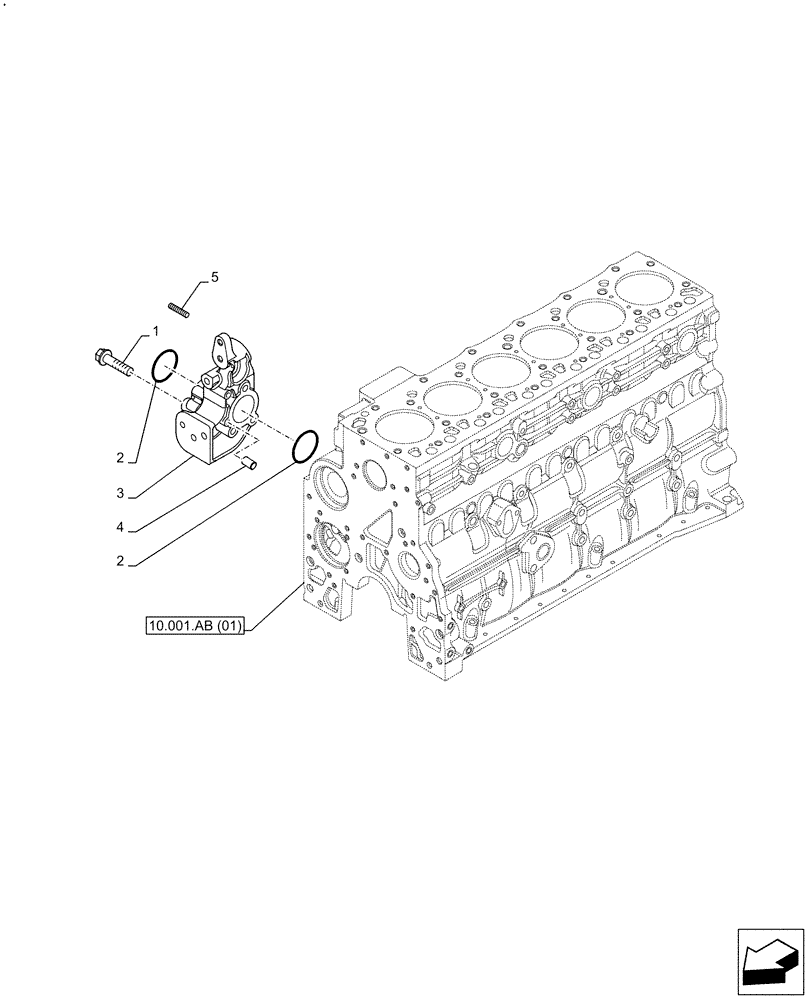
(10.400.AE) - COOLING SYSTEM LINE
№
Артикул
Название
Примечание
Количество
1
2852286
BOLT,Flng, M10 x 1.5 x 130mm
M10 x 1.5 x 80
2шт.
2854424
SCREW,Hex, Flg Hd, M10 x 1.5 x 70mm
1шт.
2
2854072
SEALING RING,Square, 5.16mm Thk x 50.17mm ID
3
2855443
FITTING
4
4895576
DOWEL
5
16748734
SCREW
3шт.
Выбрано товаров: 0