Запчасти Case IH F4HFE413C A002 (10.304.AJ) - ENGINE OIL, DIPSTICK (10) - ENGINE

Схема запчастей Case IH F4HFE413C A002 - (10.304.AJ) - ENGINE OIL, DIPSTICK (10) - ENGINE
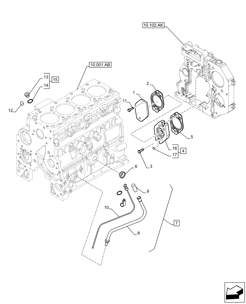
10.001.ab
9
3
11
2
4
7
16
5
12
8
6
15
13
10.102.ak
17
1
10
14
FIT
1:1
100%

Артикул

Название

Примечание

Количество

1

2853144

COVER

1шт.

2

4896897

GASKET,1.35mm Thk

1шт.

3

2853149

SCREW

2шт.

4

2855302

PTO,36T

Assy, Incl 16, 17

1шт.

5

2853150

GASKET,0.37mm Thk

1шт.

6

4895037

EXPANSION PLUG,32.03mm

1шт.

7

2852121

DIPSTICK

Assy, Incl 8 - 10

1шт.

8

2852122

TUBE,81 mm Length

1шт.

9

2852127

GASKET,5mm ID, 18mm OD, 13mm OD, 43mm L

1шт.

10

2852125

DIPSTICK,351.5mm L

1шт.

11

2853145

BOLT,Flng, M12 x 1.75 x 45mm

2шт.

12

4895406

EXPANSION PLUG,9.8mm OD

1шт.

13

4897459

PLUG,M12 x 1.5 x 11.5mm L

1шт.

14

4895610

O-RING,2.2mm Thk x 9.3mm ID

1шт.

15

4897330

HEX SOCKET PLUG,M12 x 1.5

Assy, Incl 13, 14

2шт.

16

2855303

PTO

1шт.

17

2852598

PIN

1шт.

Выбрано товаров: 0