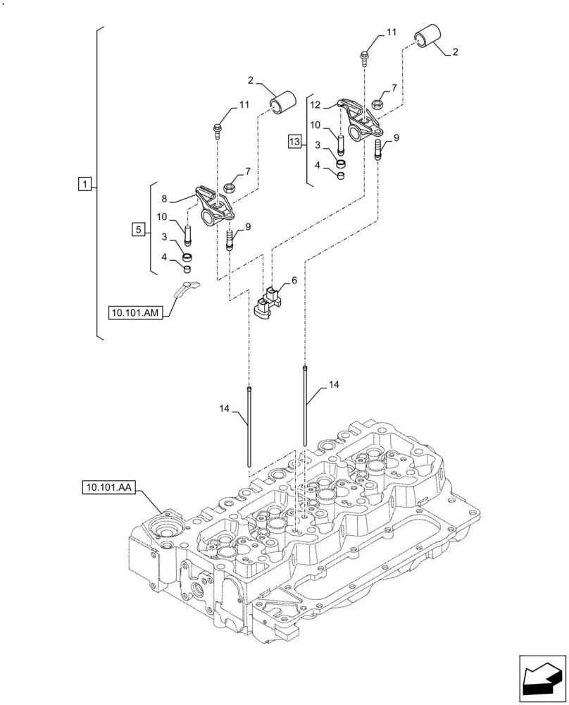
Запчасти Case IH F4HFE413E A002 (10.106.AO[01]) - ROCKER ARM (10) - ENGINE

Схема запчастей Case IH F4HFE413E A002 - (10.106.AO[01]) - ROCKER ARM (10) - ENGINE
9
13
9
5
3
10.101.am
7
10
6
8
7
2
10.101.aa
10
2
14
11
14
3
12
4
4
11
1
FIT
1:1
100%

Артикул

Название

Примечание

Количество

1

2859460

ROCKER ARM

ASSY, Incl 2 - 13

4шт.

2

2856459

ROCKER ARM

2шт.

3

2859464

RETAINER,10.79mm ID, 7.63mm ID

2шт.

4

2859465

SOCKET,1.5mm ID x 11mm OD x 9mm L

2шт.

5

2859461

ROCKER ARM

ASSY, Incl 3, 4, 7 - 10

1шт.

6

2859463

SUPPORT

1шт.

7

2859467

NUT,Hex, 3/8" - 24, RH

2шт.

8

NSS

NOT SOLD SEPARAT

Arm, Incl in 5

1шт.

9

2859468

ADJUSTMENT SCREW,3/8" - 24 x 23.85mm

2шт.

10

2859470

SOCKET

2шт.

11

2856460

BOLT,Flng, M8 x 1.25 x 55.5mm, Cl 10.9

2шт.

12

NSS

NOT SOLD SEPARAT

Arm, Incl in 13

1шт.

13

2859462

ROCKER ARM

ASSY, Incl 3, 4, 7, 9, 10, 12

1шт.

14

4895031

PUSH ROD

8шт.

Выбрано товаров: 14