Запчасти Case IH F4HFE413E A002 (55.014.AD) - ENGINE, SENSOR (55) - ELECTRICAL SYSTEMS

Схема запчастей Case IH F4HFE413E A002 - (55.014.AD) - ENGINE, SENSOR (55) - ELECTRICAL SYSTEMS
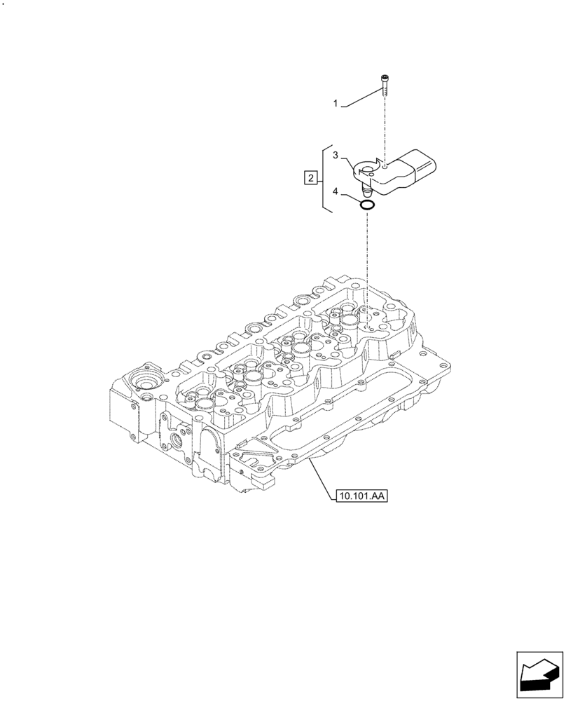
3
2
1
10.101.aa
4
FIT
1:1
100%

Артикул

Название

Примечание

Количество

1

4895817

BOLT,Flng, M6 x 1 x 20mm, Cl 10.9

M6 x 1.0 x 20

1шт.

2

2852821

SENSOR

ASSY, Incl 3, 4

1шт.

3

NSS

NOT SOLD SEPARAT

Sensor, Incl in 2

1шт.

4

4895477

O-RING,2.62mm Thk x 13.94mm ID

ID = 0.549 x 0.103

1шт.

Выбрано товаров: 4