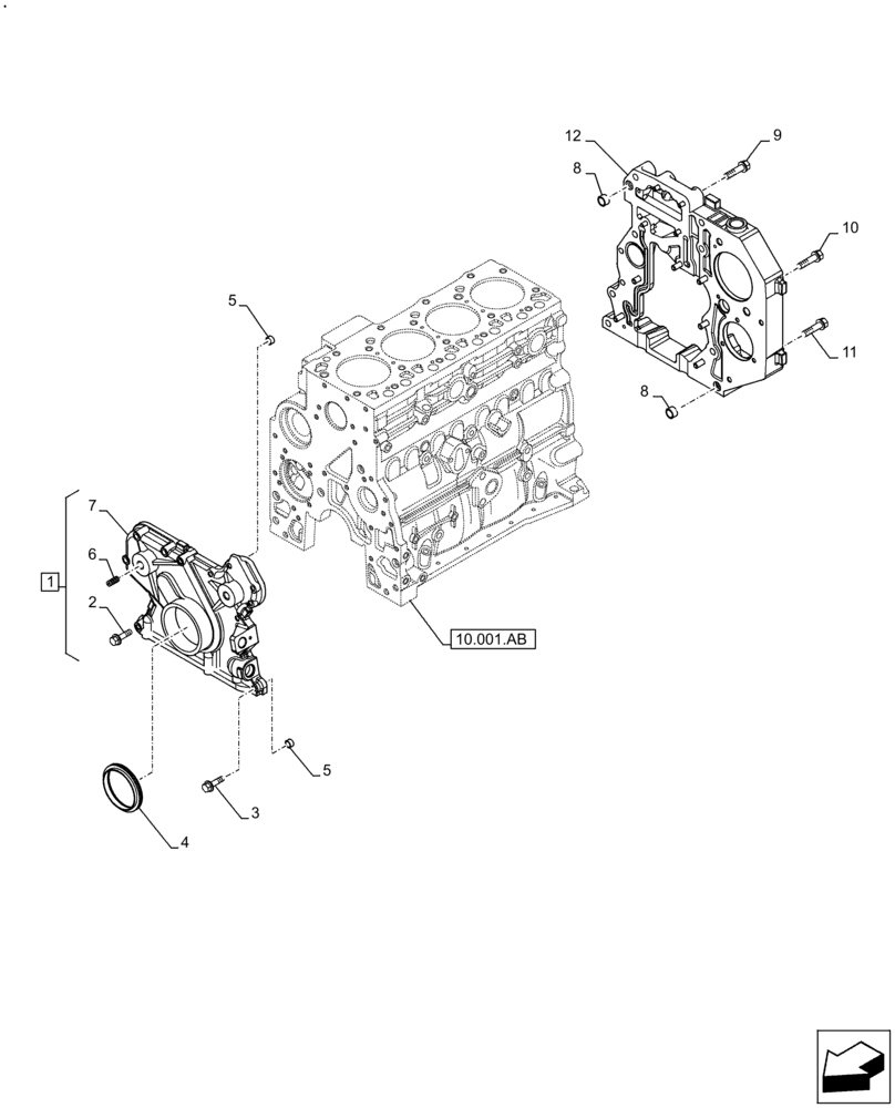
Запчасти Case IH F4HFE413H B004 (10.102.AK) - CRANKCASE, COVER (10) - ENGINE

Схема запчастей Case IH F4HFE413H B004 - (10.102.AK) - CRANKCASE, COVER (10) - ENGINE
9
10
3
12
8
10.001.ab
1
1
7
8
6
4
5
5
2
1
FIT
1:1
100%

Артикул

Название

Примечание

Количество

1

4897025

COVER

ASSY, Incl 2, 6, 7

1шт.

2

4899078

SCREW,Hex Flg, M8 x 1.25 x 45

M8 x 1.25 x 45

5шт.

3

4899063

SCREW,Hex Flg, M8 x 1.25 x 30

M8 x 1.25 x 30

8шт.

4

84575644

OIL SEAL,70mm ID x 100mm OD x 16mm Thk

1шт.

5

4891209

DOWEL,M13 x 8 L

2шт.

6

2852208

INSERT

M10 x 1.5 x 18

2шт.

7

NSS

NOT SOLD SEPARAT

Cover, Incl in 1

1шт.

8

4899026

DOWEL,M18 x 10

2шт.

9

4899078

SCREW,Hex Flg, M8 x 1.25 x 45

M8 x 1.25 x 45

4шт.

10

4899093

BOLT,Hex Flange, M10 x 30.00mm, Cl 10.9, PHC

2шт.

10

4899073

SCREW,Hex Flg, M12 x 1.75 x 30

M12 x 1.75 x 30

1шт.

11

4896939

SCREW,M10 x 1.5 x 50mm

M10 x 1.5 x 50

3шт.

12

2856954

HOUSING

1шт.

Выбрано товаров: 13