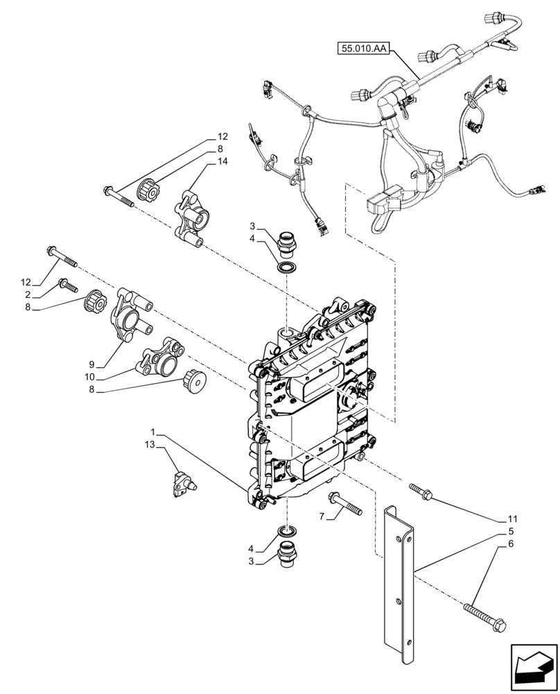
Запчасти Case IH F4HFE413V B001 (55.015.AA) - ENGINE, ELECTRONIC CONTROL UNIT (55) - ELECTRICAL SYSTEMS

Схема запчастей Case IH F4HFE413V B001 - (55.015.AA) - ENGINE, ELECTRONIC CONTROL UNIT (55) - ELECTRICAL SYSTEMS
55.010.aa
4
10
3
11
1
14
8
8
3
2
5
6
12
13
8
12
7
4
9
FIT
1:1
100%

Артикул

Название

Примечание

Количество

1

84499733

ECU

1шт.

1

84499733R

REMAN ELECT CONTROL

1шт.

1

84499733C

CORE-ELECTRONIC CONT

Return Number

1шт.

2

87016559

SELF-TAP SCREW,HWH, M5.5 x 15mm

2шт.

3

47581921

FITTING

2шт.

4

4858609

WASHER,Brass

2шт.

5

47581881

SUPPORT

2шт.

6

4899078

SCREW,Hex Flg, M8 x 1.25 x 45

3шт.

7

2852101

FLANGE BOLT,Hex, M6 x 16mm

2шт.

8

2855150

INSULATOR BLOCK

6шт.

9

47581883

BRACKET

1шт.

10

504297839

BRACKET

1шт.

11

2852818

SCREW,Hex, M6 x 1 x 30mm

2шт.

12

17935001

SELF-TAP SCREW,Hex Flng, M5.5 x 1.8 x 45mm

4шт.

13

504372225

SENSOR,Temperature / Pressure

1шт.

14

47582594

BRACKET

1шт.

Выбрано товаров: 16