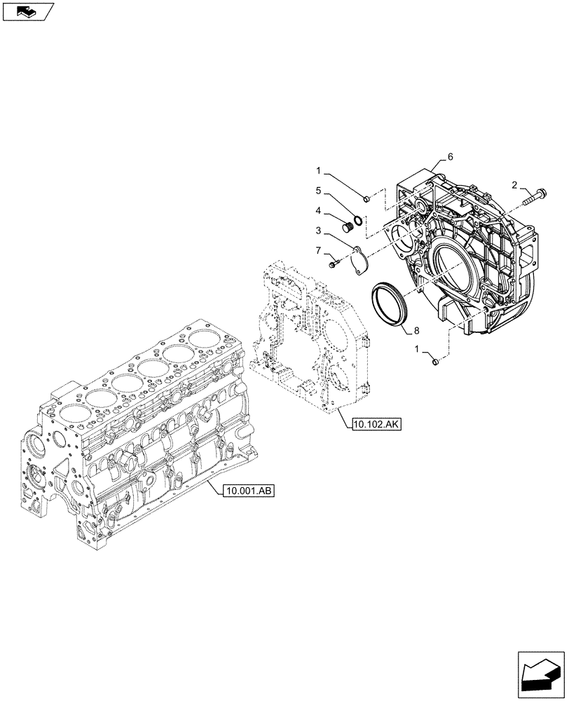
Запчасти Case IH F4HFE6137 B003 (10.103.AK) - FLYWHEEL & HOUSING (10) - ENGINE

Схема запчастей Case IH F4HFE6137 B003 - (10.103.AK) - FLYWHEEL & HOUSING (10) - ENGINE
3
7
5
6
10.102.ak
1
2
8
1
4
10.001.ab
FIT
1:1
100%

Артикул

Название

Примечание

Количество

1

4899026

DOWEL,M18 x 10

2шт.

2

4899109

SCREW,Hex, M10 x 1.5 x 80

2шт.

2

4892915

FLANGE BOLT,Hex, M10 x 1.5 x 40mm

10шт.

2

4899076

SCREW,Hex Flg, M12 x 1.75 x 80

6шт.

2

4897499

SCREW,Hex, M12 x 1.75 x 110mm

2шт.

3

4895155

COVER

1шт.

4

4895378

BUTTON PLUG,M29.2

1шт.

5

4895379

O-RING,21.82mm ID x 3.53mm Width

1шт.

5

17288480

O-RING,21.81mm ID x 3.53mm

1шт.

6

2852425

HOUSING

1шт.

6

504033868

COVER

1шт.

7

4899068

BOLT,Flng, M8 x 1.25 x 16mm

2шт.

8

84575645

OIL SEAL,130mm ID x 155mm OD x 16mm Thk

1шт.

8

4890833

OIL SEAL,M130 x 155 x 12.5/16

1шт.

Выбрано товаров: 14