Запчасти Case IH F4HFE613A B004 (10.001.AB[02]) - CRANKCASE (10) - ENGINE

Схема запчастей Case IH F4HFE613A B004 - (10.001.AB[02]) - CRANKCASE (10) - ENGINE
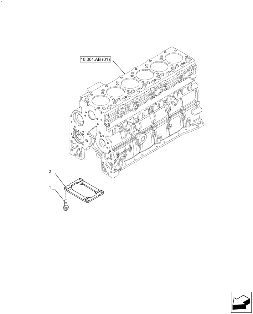
1
10.001.ab (01)
2
FIT
1:1
100%

Артикул

Название

Примечание

Количество

1

4899032

SCREW,Hex Flg, M10 x 1.5 x 25

4шт.

2

2852729

STIFFENER

1шт.

Выбрано товаров: 2