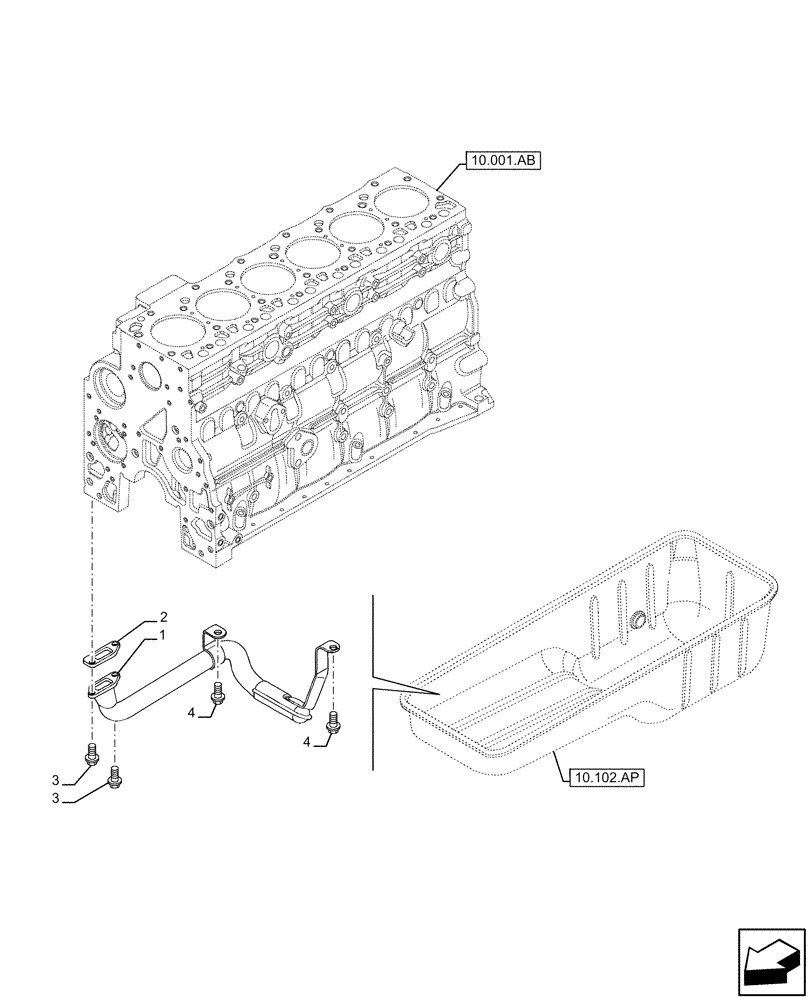
Запчасти Case IH F4HFE613E B005 (10.304.AL) - ENGINE OIL SUMP & RELATED PARTS (10) - ENGINE

Схема запчастей Case IH F4HFE613E B005 - (10.304.AL) - ENGINE OIL SUMP & RELATED PARTS (10) - ENGINE
10.102.ap
2
1
4
3
3
4
10.001.ab
FIT
1:1
100%

Артикул

Название

Примечание

Количество

1

2853306

SUCTION PIPE

1шт.

2

4898301

GASKET,0.42mm Thk

1шт.

3

4899020

FLANGE BOLT,Hex, M8 x 1.25 x 20mm

2шт.

4

4895291

SCREW,Hex Flg, M10 x 1.5 x 20

2шт.

Выбрано товаров: 4