Запчасти Case IH F4HFE613E B005 (10.304.AS) - DIPSTICK (10) - ENGINE

Схема запчастей Case IH F4HFE613E B005 - (10.304.AS) - DIPSTICK (10) - ENGINE
10.001.ab
6
1
3
7
4
2
5
FIT
1:1
100%

Артикул

Название

Примечание

Количество

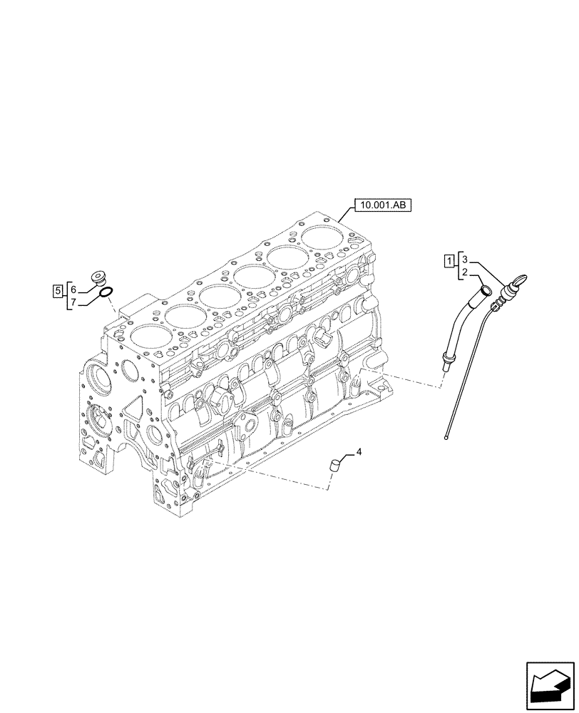
1

2855433

DIPSTICK

ASSY, Incl 2, 3

1шт.

1

2855437

DIPSTICK

1шт.

1

2855438

DIPSTICK

1шт.

1a

2855436

BRACKET

1шт.

1b

2855439

SPRING

1шт.

2

2855434

TUBE

ASSY, Incl 2, 3

1шт.

2

2855435

TUBE

1шт.

3

NSS

NOT SOLD SEPARAT

Dipstick, Incl in 1

1шт.

4

4895406

EXPANSION PLUG,9.8mm OD

3шт.

5

4897330

HEX SOCKET PLUG,M12 x 1.5

ASSY, Incl 6, 7

2шт.

6

NSS

NOT SOLD SEPARAT

Plug, Incl in 5

1шт.

7

4895610

O-RING,2.2mm Thk x 9.3mm ID

1шт.

7

4898502

O-RING,0.364" ID x 0.504" OD x 0.07"

1шт.

Выбрано товаров: 13