Запчасти Case IH F4HFE613F B004 (10.001.AB[01]) - CRANKCASE (10) - ENGINE

Схема запчастей Case IH F4HFE613F B004 - (10.001.AB[01]) - CRANKCASE (10) - ENGINE
10.106.aa
12
15
20
11
3
2
13
17
21
7
4
9
25
8
22
18
6
5
16
10
3
14
19
26
24
1
23
17
10.106.ao (01)
FIT
1:1
100%

Артикул

Название

Примечание

Количество

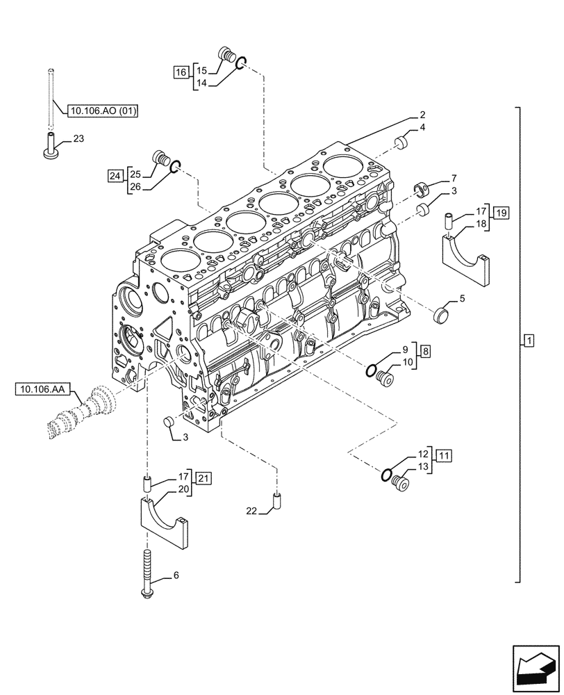
1

47596947

CYLINDER BLOCK

ASSY, Incl 2 - 7, 19, 21

1шт.

2

47541311

CYLINDER BLOCK

1шт.

3

4895039

EXPANSION PLUG,M17.73

3шт.

4

4895038

EXPANSION PLUG,M58.06

6шт.

5

4895228

EXPANSION PLUG,35.23mm x 7.94mm

3шт.

6

4891353

SCREW,Flg Hd, M12 x 1.5 x 120

14шт.

7

4895040

BUSHING,54.39mm ID x 59.39mm OD x 25.4mm L

1шт.

8

4895605

HEX SOCKET PLUG,M14 x 1.5

ASSY, Incl 9, 10

2шт.

9

4899115

O-RING,2.2mm Thk x 11.3mm ID

1шт.

10

NSS

NOT SOLD SEPARAT

Plug, Incl in 8

1шт.

11

4899009

PLUG,M10 x1

ASSY, Incl 12, 13

2шт.

12

4899072

O-RING,1.6mm Thk x 8.1mm ID

1шт.

13

NSS

NOT SOLD SEPARAT

Plug, Incl in 11

1шт.

14

4895393

O-RING,2.2mm Thk x 15.3mm ID

1шт.

15

4895394

HEX SOCKET PLUG,M18 x 1.5

1шт.

16

4895392

HEX SOCKET PLUG,M18 x 1.5

1шт.

17

4899026

DOWEL,M18 x 10

4шт.

18

NSS

NOT SOLD SEPARAT

Support, Incl in 19

1шт.

19

47607066

SUPPORT

ASSY, Incl 17, 18

1шт.

20

47607064

SUPPORT

1шт.

21

47607063

SUPPORT

6шт.

22

4895049

DOWEL,M16.05 x 10

2шт.

23

4899803

TAPPET

12шт.

24

4895080

HEX SOCKET PLUG,M22 x 1.5

ASSY, Incl 25, 26

1шт.

25

NSS

NOT SOLD SEPARAT

Plug, Incl in 24

1шт.

26

2854072

SEALING RING,Square, 5.16mm Thk x 50.17mm ID

1шт.

Выбрано товаров: 26