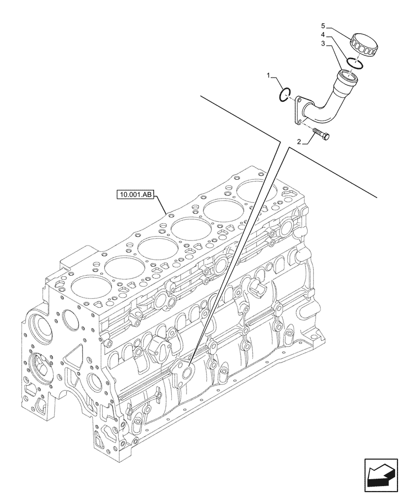
Запчасти Case IH F4HFE613F B004 (10.304.AJ) - OIL FILTER, DIPSTICK (10) - ENGINE

Схема запчастей Case IH F4HFE613F B004 - (10.304.AJ) - OIL FILTER, DIPSTICK (10) - ENGINE
10.001.ab
4
5
3
1
2
FIT
1:1
100%

Артикул

Название

Примечание

Количество

1

2852135

O-RING,2.6mm Thk x 37.7mm ID

1шт.

2

2852134

FLANGE BOLT,Hex, M12 x 1.75 x 25mm

2шт.

3

2859216

TUBE

1шт.

4

2853412

O-RING,0.21" Thk x 1.475" ID

1шт.

5

2853410

FILLER CAP,Female

1шт.

Выбрано товаров: 5