Запчасти Case IH F4HFE613G B004 (10.400.AE[02]) - COOLANT HEATING LINES (10) - ENGINE

Схема запчастей Case IH F4HFE613G B004 - (10.400.AE[02]) - COOLANT HEATING LINES (10) - ENGINE
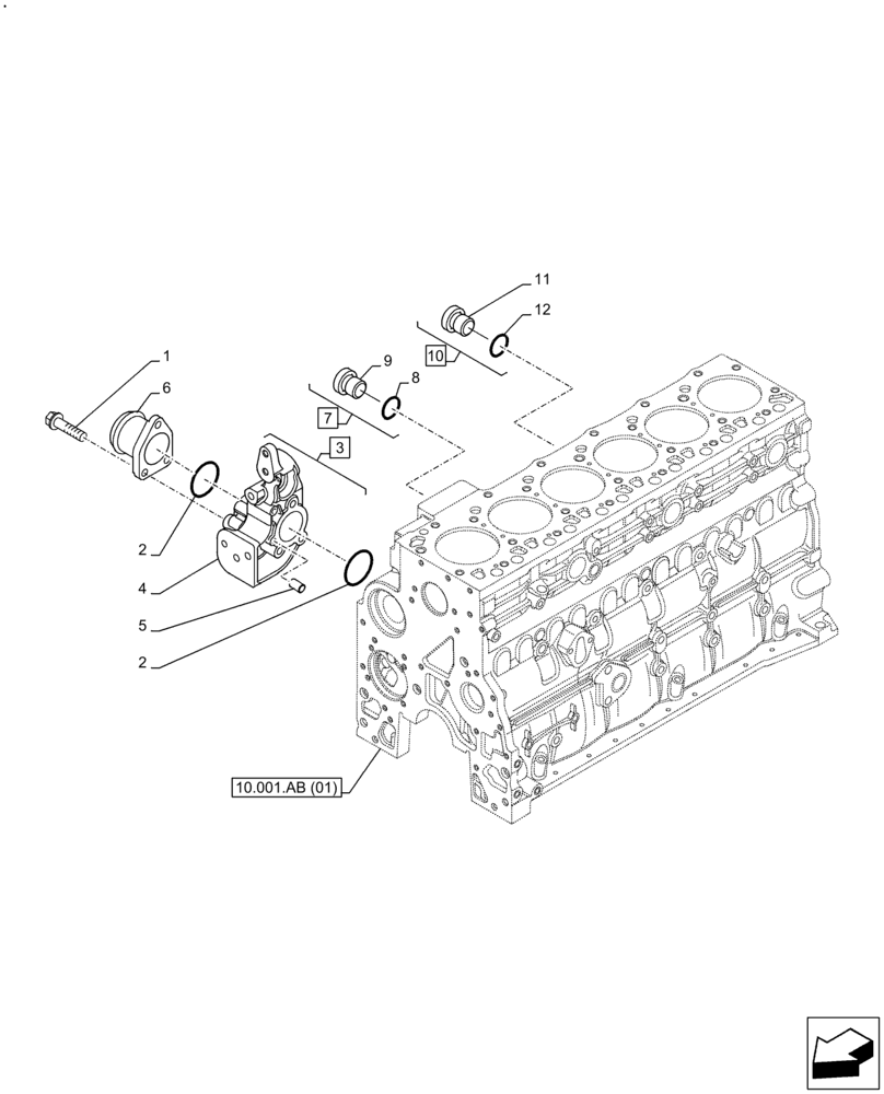
12
8
2
4
10.001.ab (01)
10
1
6
7
5
3
9
2
11
FIT
1:1
100%

Артикул

Название

Примечание

Количество

1

2852923

SCREW

3шт.

2

2854072

SEALING RING,Square, 5.16mm Thk x 50.17mm ID

2шт.

3

47536450

SUPPORT

ASSY, Incl 4, 5

1шт.

4

NSS

NOT SOLD SEPARAT

HYD CONNECTOR; Incl in 3

1шт.

5

98405182

DOWEL

2шт.

6

2852922

ELBOW

1шт.

7

4895392

HEX SOCKET PLUG,M18 x 1.5

ASSY, Incl 8, 9

2шт.

8

4895393

O-RING,2.2mm Thk x 15.3mm ID

1шт.

9

4895394

HEX SOCKET PLUG,M18 x 1.5

1шт.

10

4895080

HEX SOCKET PLUG,M22 x 1.5

ASSY, Incl 11, 12

1шт.

11

NSS

NOT SOLD SEPARAT

PLUG; Incl in 10

1шт.

12

4895082

O-RING,19.3mm ID x 2.2mm Width

1шт.

Выбрано товаров: 12