Запчасти Case IH F4HFE613K B002 (55.015.AC) - ENGINE, SENSOR (55) - ELECTRICAL SYSTEMS

Схема запчастей Case IH F4HFE613K B002 - (55.015.AC) - ENGINE, SENSOR (55) - ELECTRICAL SYSTEMS
10.102.ak
5
6
7
10
9
4
3
8
1
2
10.001.ab (01)
10.102.ak
FIT
1:1
100%

Артикул

Название

Примечание

Количество

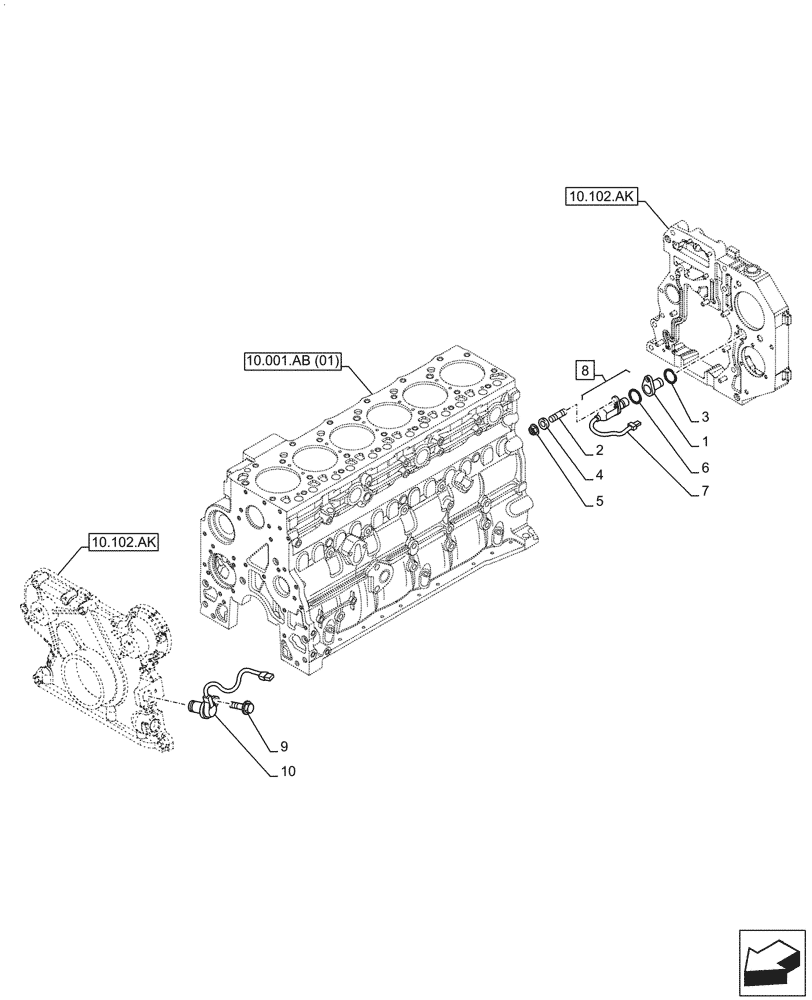
1

504356683

PIPE COUPLING

1шт.

2

504388426

STUD

1шт.

3

17278781

O-RING

ID = 23.52 x 1.78

1шт.

4

4899124

WASHER

1шт.

5

17037821

NUT

M6 x 1

1шт.

6

17278481

O-RING,0.07" Thk x 0.676" ID, 17, Cl 7, 75 Duro

1шт.

7

NSS

NOT SOLD SEPARAT

Speed sensor, Incl in 8

1шт.

8

4890190

SENSOR

ASSY, Incl 6, 7

1шт.

9

4899110

SCREW,Hex Flg, M6 x 1 x 20

3шт.

10

4890189

SENSOR

Crankshaft speed sensor

1шт.

Выбрано товаров: 10